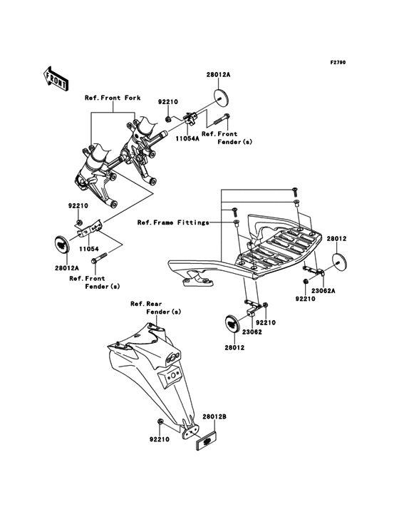
Запчасти для мотоциклов Kawasaki ZG1400 Concours 14 ABS

Год: 2014  •  Код модели: ZG1400CEF  •  Объем двигателя: 1400

Запчасти для мотоциклов Kawasaki ZG1400 Concours 14 ABS
Вид: