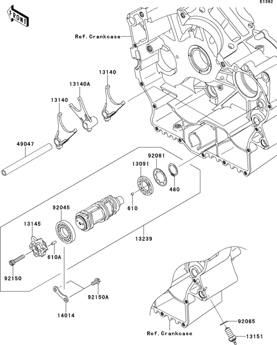
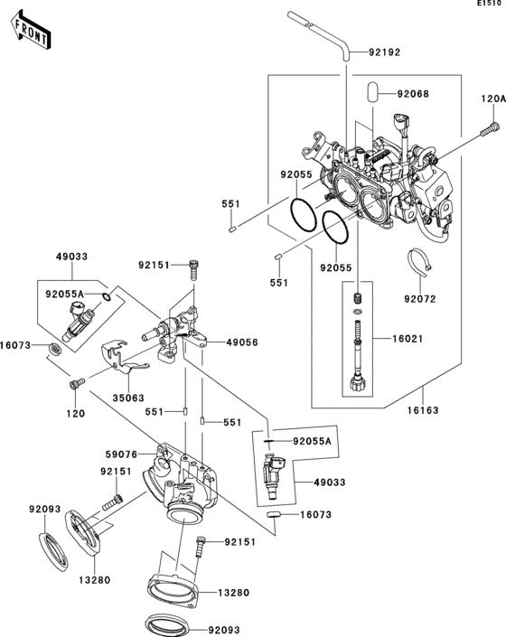
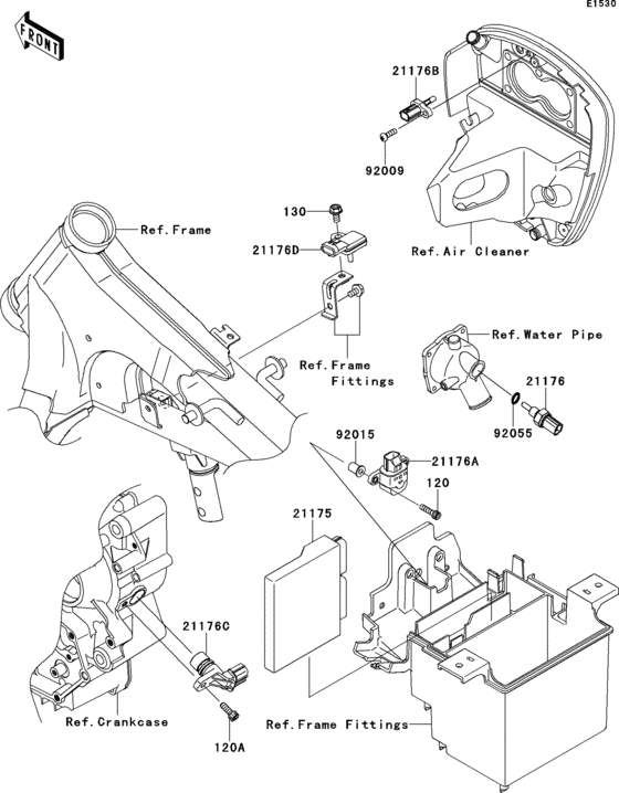
Запчасти для мотоциклов Kawasaki VN900 Vulcan 900 Custom

Год: 2012  •  Код модели: VN900CCF  •  Объем двигателя: 900

Запчасти для мотоциклов Kawasaki VN900 Vulcan 900 Custom
Вид: