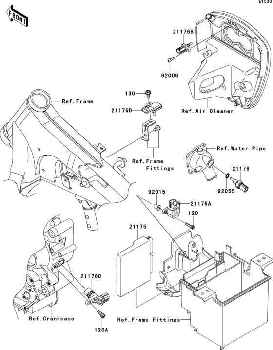
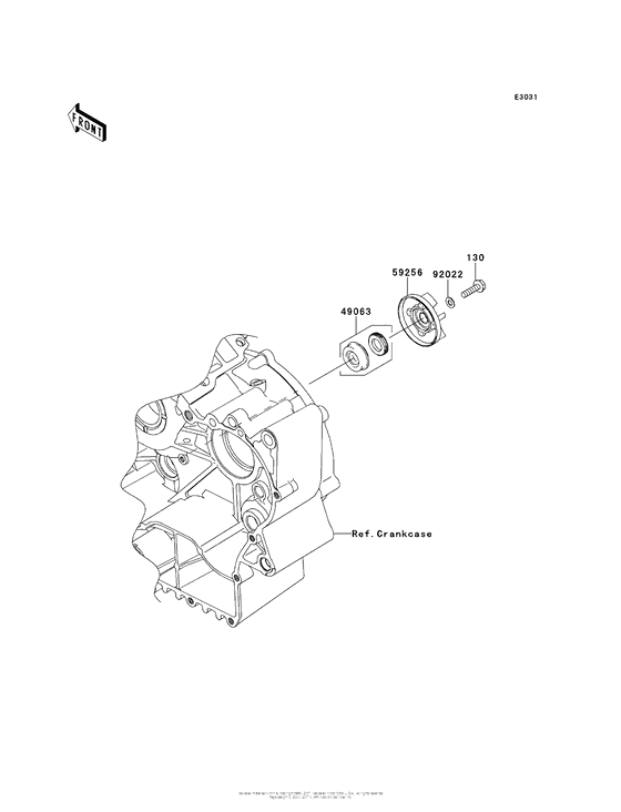
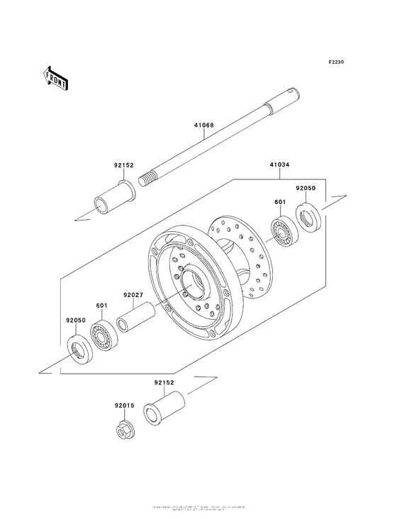
Запчасти для мотоциклов Kawasaki VN900 Vulcan 900 Classic

Год: 2013  •  Код модели: VN900BDF  •  Объем двигателя: 900

Запчасти для мотоциклов Kawasaki VN900 Vulcan 900 Classic
Вид: