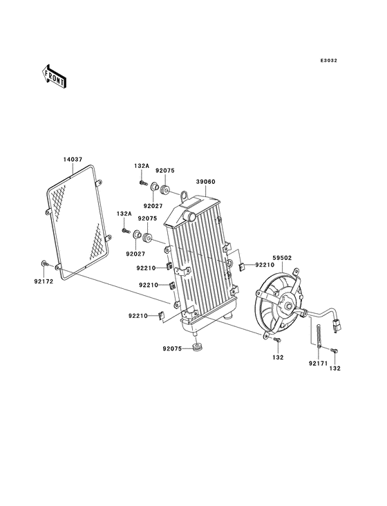
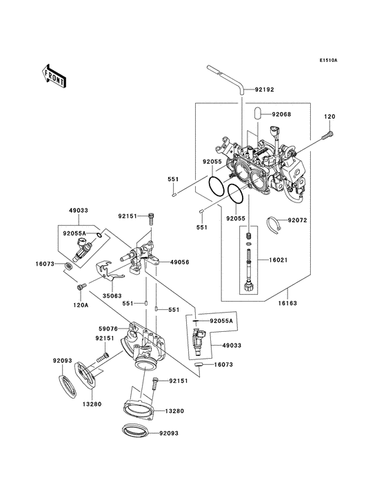
Запчасти для мотоциклов Kawasaki VN900 Vulcan 900 Custom

Год: 2009  •  Код модели: VN900C9FA  •  Объем двигателя: 900

Запчасти для мотоциклов Kawasaki VN900 Vulcan 900 Custom
Вид: