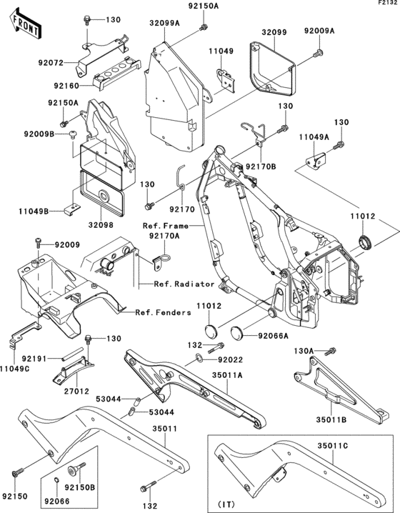
Запчасти для мотоциклов Kawasaki VN800 Vulcan 800

Год: 1997  •  Код модели: VN800-A3  •  Объем двигателя: 800

Запчасти для мотоциклов Kawasaki VN800 Vulcan 800
Вид: