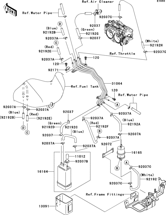
Запчасти для мотоциклов Kawasaki VN2000 Vulcan 2000 Classic LT

Год: 2007  •  Код модели: VN2000F7F  •  Объем двигателя: 2000

Запчасти для мотоциклов Kawasaki VN2000 Vulcan 2000 Classic LT
Вид: