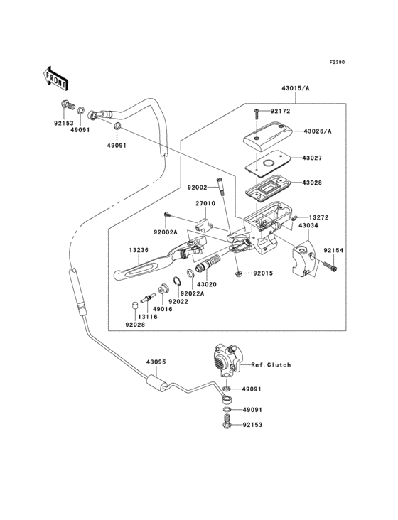
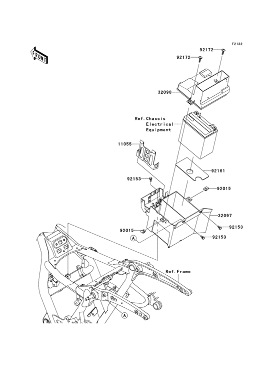
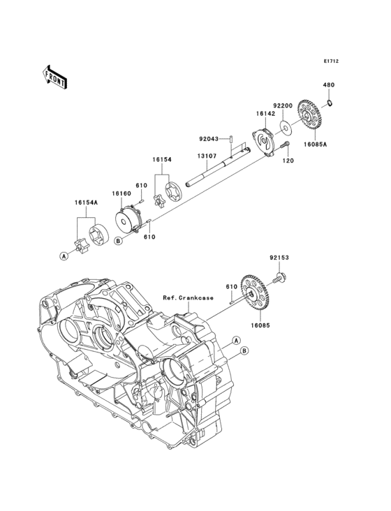
Запчасти для мотоциклов Kawasaki VN1700 Vulcan 1700 Classic

Год: 2009  •  Код модели: VN1700E9FA  •  Объем двигателя: 1700

Запчасти для мотоциклов Kawasaki VN1700 Vulcan 1700 Classic
Вид: