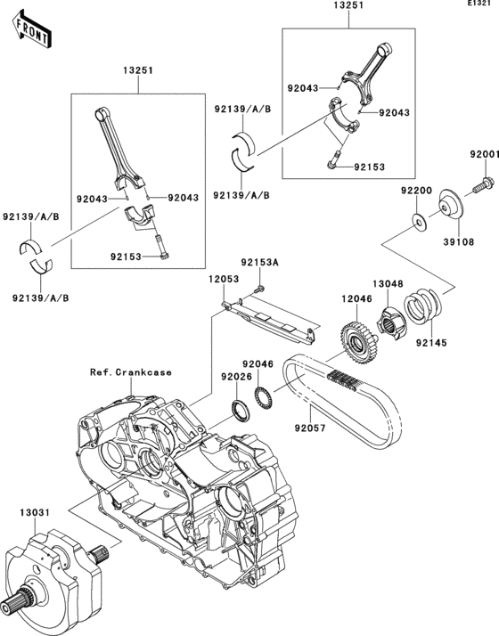
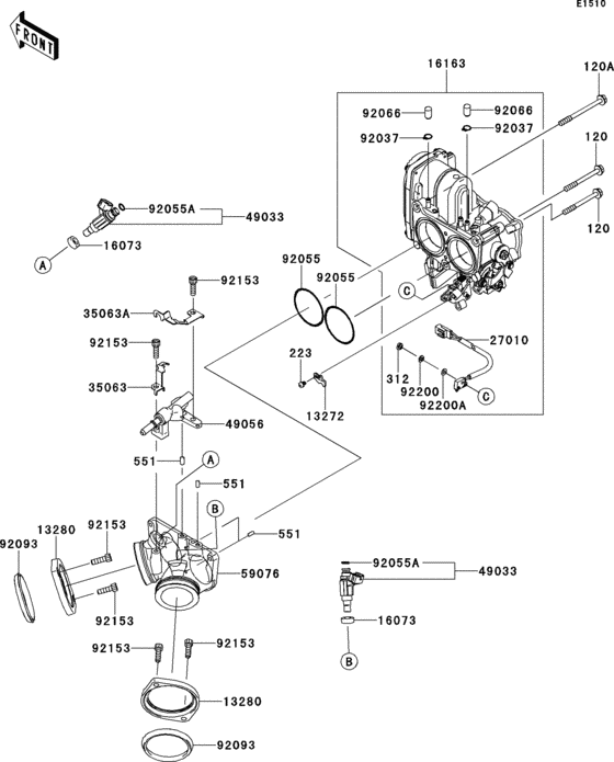
Запчасти для мотоциклов Kawasaki VN1700 Voyager ABS

Год: 2013  •  Код модели: VN1700BDF  •  Объем двигателя: 1700

Запчасти для мотоциклов Kawasaki  VN1700 Voyager ABS
Вид: