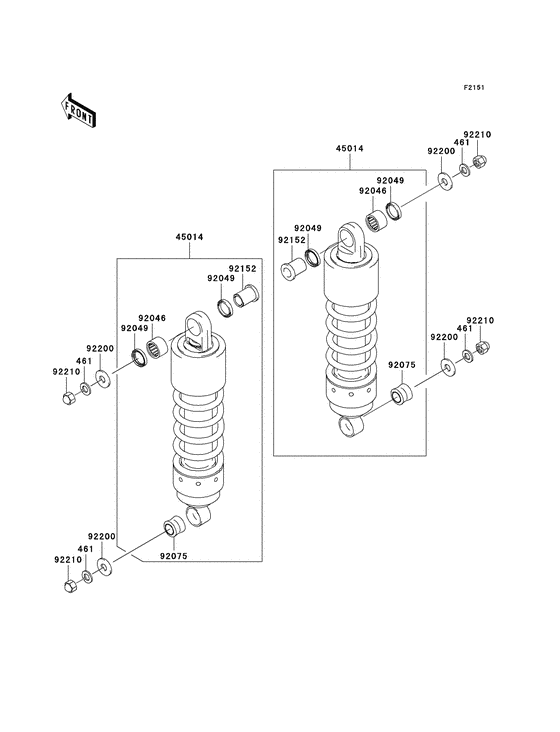
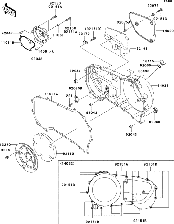
Запчасти для мотоциклов Kawasaki VN1600 Vulcan 1600 Classic

Год: 2004  •  Код модели: VN1600-A2  •  Объем двигателя: 1600

Запчасти для мотоциклов Kawasaki VN1600 Vulcan 1600 Classic
Вид: