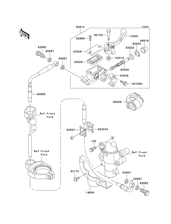
Запчасти для мотоциклов Kawasaki KX85

Год: 2003  •  Код модели: KX85-A3  •  Объем двигателя: 85

Запчасти для мотоциклов Kawasaki  KX85
Вид: