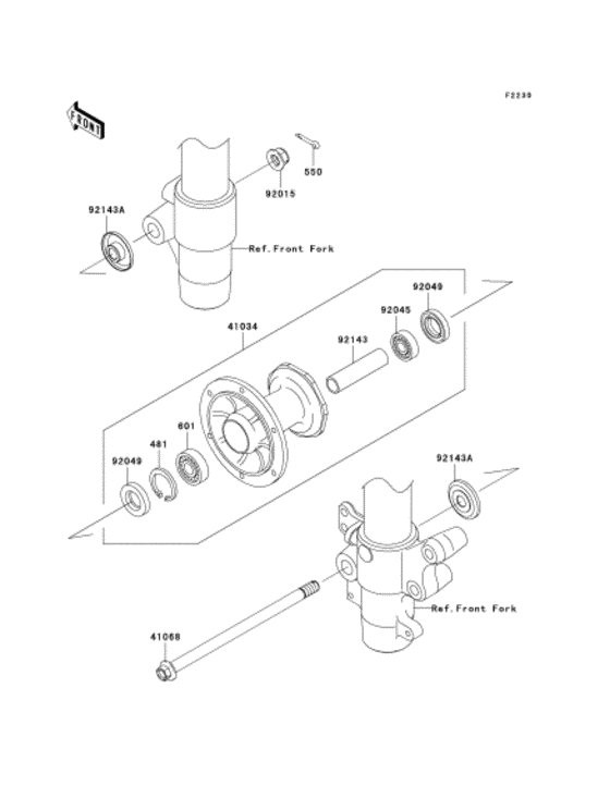
Запчасти для мотоциклов Kawasaki KX85-II

Год: 2010  •  Код модели: KX85BAF  •  Объем двигателя: 85

Запчасти для мотоциклов Kawasaki  KX85-II
Вид: