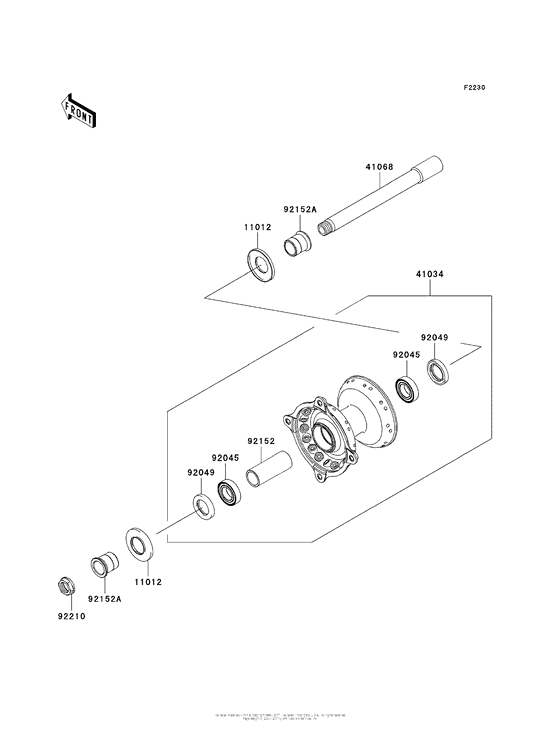
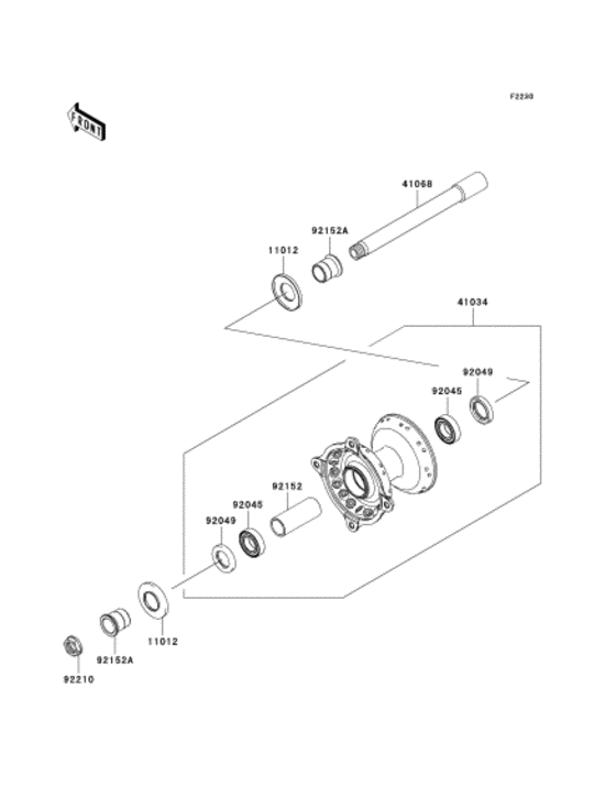
Запчасти для мотоциклов Kawasaki KX250F

Год: 2011  •  Код модели: KX250YBF  •  Объем двигателя: 250

Запчасти для мотоциклов Kawasaki  KX250F
Вид: