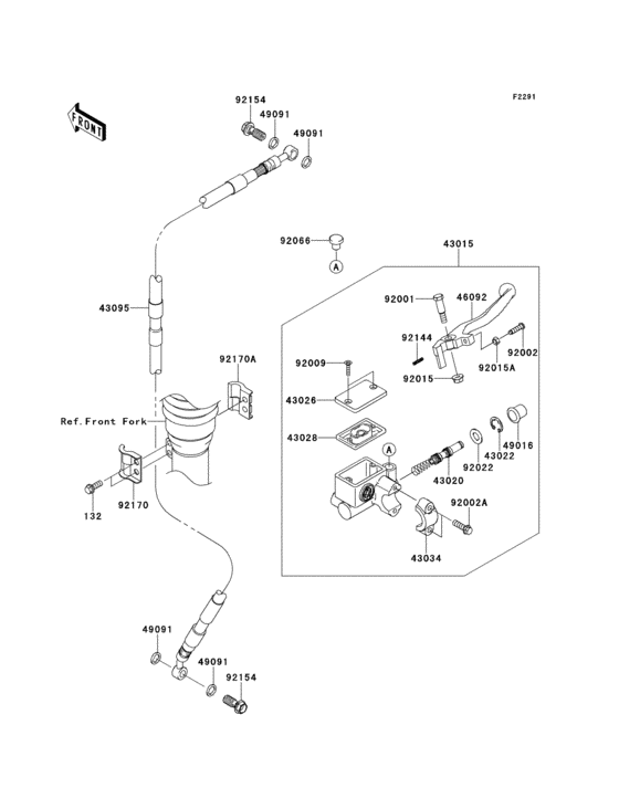
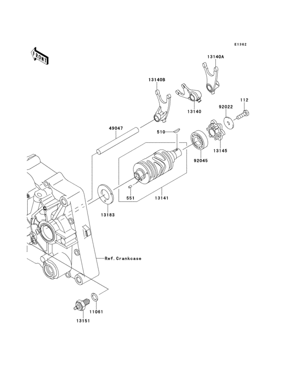
Запчасти для мотоциклов Kawasaki KLX140

Год: 2013  •  Код модели: KLX140ADF  •  Объем двигателя: 140

Запчасти для мотоциклов Kawasaki  KLX140
Вид: