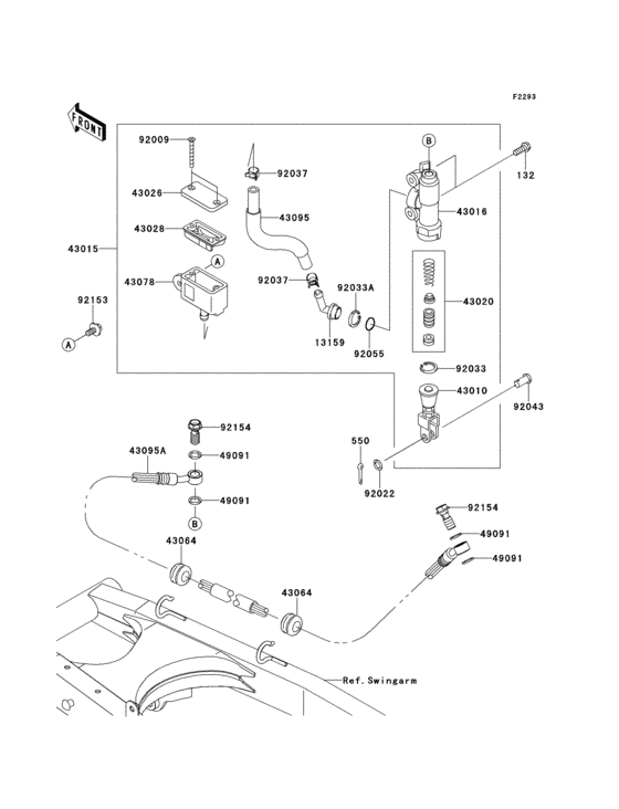
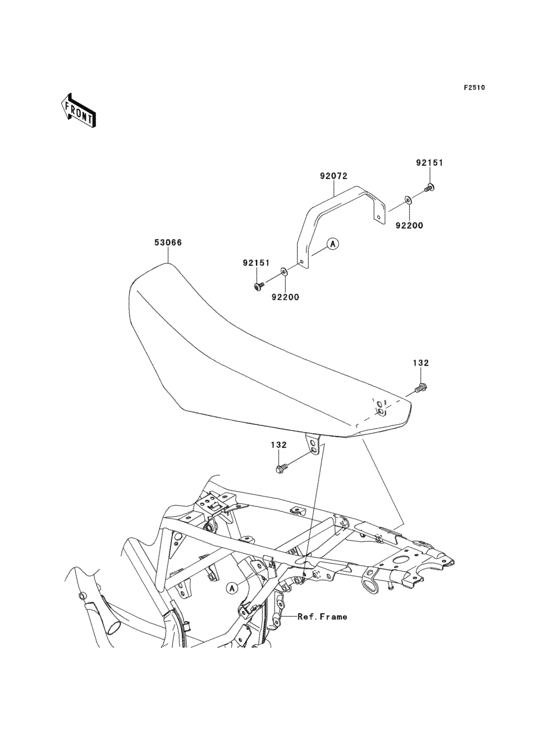
Запчасти для мотоциклов Kawasaki KLX125

Год: 2013  •  Код модели: KLX125CDS  •  Объем двигателя: 125

Запчасти для мотоциклов Kawasaki  KLX125