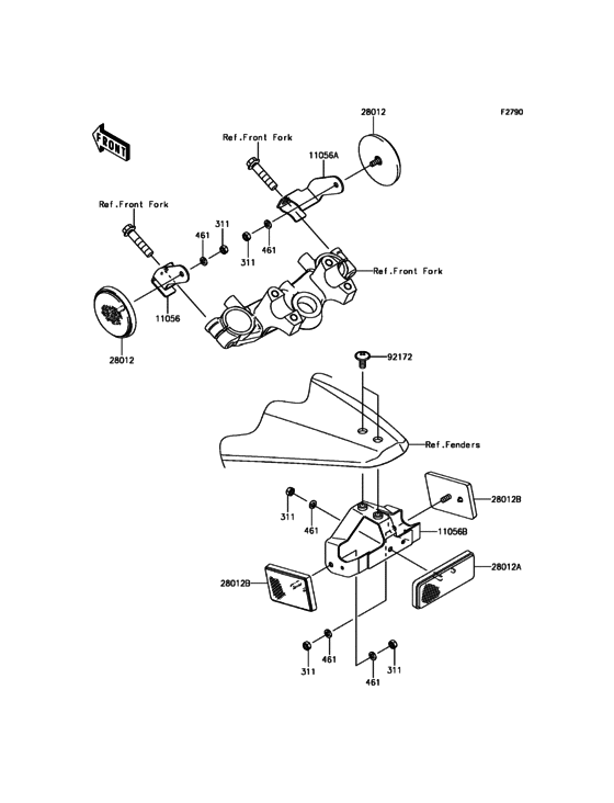
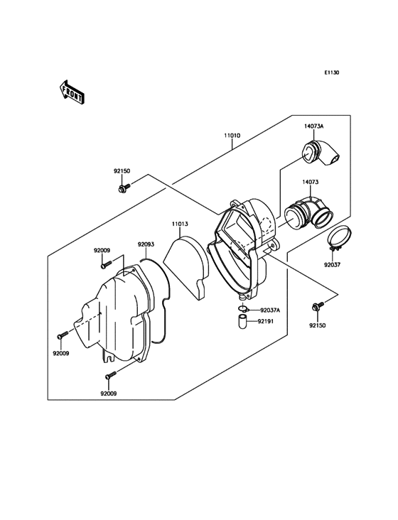
Запчасти для мотоциклов Kawasaki KLX110

Год: 2015  •  Код модели: KLX110CFF  •  Объем двигателя: 110

Запчасти для мотоциклов Kawasaki  KLX110
Вид: