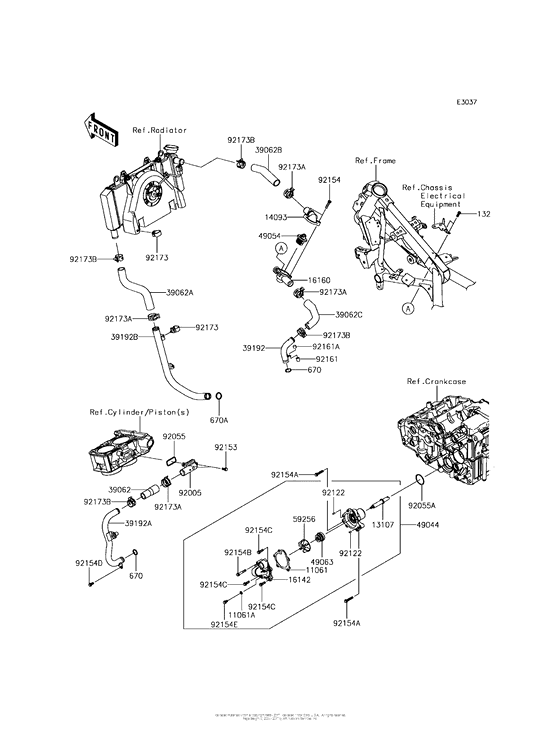
Запчасти для мотоциклов Kawasaki Versys-X 300

Год: 2017  •  Код модели: KLE300BHF

Запчасти для мотоциклов Kawasaki  Versys-X 300
Вид: