• О Компании
  • Оплата и Доставка
  • Помощь
  • Обратная связь
  • Контакты
  • Telegram
  • ВКонтакте
  • Telegram
  • ВКонтакте
  • Регистрация
  • Авторизация
Интернет магазин мотозапчастей PartsFor.ru
Москва и регионы России
  • Личный кабинет
    • Заказы
    • Оплаты
    • Отгрузки
    • Сообщения
    • Профиль
    • Выход
  • Оригинальные запчасти
    • Для мотоциклов
    • Yamaha
    • Honda
    • Suzuki
    • Kawasaki
    • Harley Davidson
    • Ducati
    • Can-Am
    • Aprilia
    • BMW
    • Triumph
    • Husaberg
    • Husqvarna
    • KTM
    • Indian
    • Victory
    • Slingshot
    • Для мотоциклов
    • Для квадроциклов
    • Для снегоходов
    • Для мотовездеходов
    • Для гидроциклов
    • Для лодочных моторов
    • Для катеров
    • Для судовых двигателей
    • Для генераторов
    • Для квадроциклов
    • Yamaha
    • Honda
    • Suzuki
    • Kawasaki
    • Arctic Cat
    • Can-Am
    • Polaris
    • KTM
    • Для снегоходов
    • Yamaha
    • Arctic Cat
    • Lynx
    • Ski-Doo
    • Polaris
    • Для генераторов
    • Для мотовездеходов
    • Yamaha
    • Honda
    • Suzuki
    • Kawasaki
    • Arctic Cat
    • Can-Am
    • Polaris
    • Polaris RZR
    • Для гидроциклов
    • Yamaha
    • Honda Marine
    • Kawasaki
    • Arctic Cat
    • Polaris
    • Sea-Doo
    • Для лодочных моторов
    • Для катеров
    • Для суд. двигателей
    • Для генераторов
    • Для лодочных моторов
    • Yamaha
    • Honda Marine
    • Suzuki Marine
    • Evinrude
    • Johnson
    • Nissan
    • Tohatsu
    • Mercury
    • Force
    • Mariner
    • Для катеров
    • Yamaha
    • Sea-Doo
    • Для суд. двигателей
    • Для спецтехники
  • Неоригинал, расходники
  • Заказ по каталогам
    • КАТАЛОГ PARTS UNLIMITED
  • Моторезина
  1. Главная
  2. Запчасти для мотоциклов
  3. Kawasaki
  4. KE100
  5. KE100

Запчасти для мотоциклов Kawasaki KE100

Год: 1985  •  Код модели: KE100-B4  •  Объем двигателя: 100

Запчасти для мотоциклов Kawasaki KE100
Вид:

  • KE100 Воздухоочиститель
    Воздухоочиститель
  • KE100 Педаль тормоза
    Педаль тормоза
  • KE100 Тросы
    Тросы
  • KE100 Carburetor assy
    Carburetor assy
    Ke100-b1/b2/b3/b4
  • KE100 Электрика
    Электрика
  • KE100 Бендикс
    Бендикс
  • KE100 Картер двигателя
    Картер двигателя
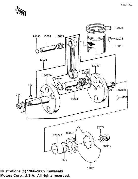
  • KE100 Crankshaft / piston / rotary valve
    Crankshaft / piston / rotary valve
  • KE100 Головка блока цилиндров / цилиндр
    Головка блока цилиндров / цилиндр
  • KE100 Крышки двигателя
    Крышки двигателя
  • KE100 Крылья
    Крылья
  • KE100 Frame comp
    Frame comp
  • KE100 Рама ,крепежные детали
    Рама ,крепежные детали
  • KE100 Вилка передней оси
    Вилка передней оси
  • KE100 Front hub / brake
    Front hub / brake
  • KE100 Tank fuel
    Tank fuel
  • KE100 Gear change drum & forks
    Gear change drum & forks
  • KE100 Переключатель передач
    Переключатель передач
  • KE100 Руль
    Руль
  • KE100 Phare
    Phare
  • KE100 Ignition / generator / regulator
    Ignition / generator / regulator
  • KE100 Катушка зажигания
    Катушка зажигания
  • KE100 Замок зажикания
    Замок зажикания
  • KE100 Кикстартер
    Кикстартер
  • KE100 Наклейки
    Наклейки
  • KE100 Спидометр
    Спидометр
  • KE100 Muffler comp
    Muffler comp
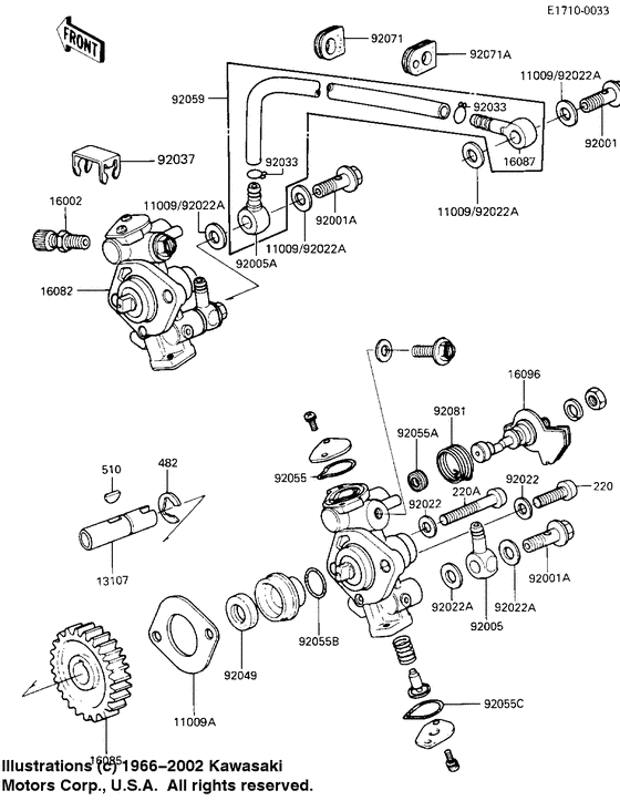
  • KE100 Маслонасос
    Маслонасос
  • KE100 Бак масляный
    Бак масляный
  • KE100 Owner tools
    Owner tools
    Ke100-b2/b3/b4/b5
  • KE100 Rear hub / brake / chain
    Rear hub / brake / chain
  • KE100 Пружина
    Пружина
  • KE100 Боковая крышка / крышка цепи
    Боковая крышка / крышка цепи
  • KE100 Stand comp
    Stand comp
  • KE100 Swing arm / shock absorbers
    Swing arm / shock absorbers
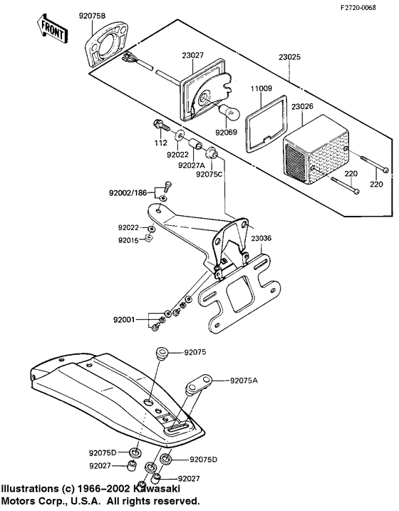
  • KE100 Tailight
    Tailight
  • KE100 Трансмиссия
    Трансмиссия
  • KE100 Поворотники
    Поворотники
  • KE100 Колеса,покрышки
    Колеса,покрышки



  Информация
  • Новости
  • О Компании
  • Оплата и Доставка
  • Помощь
  • Обратная связь
  • Контакты
  OEM запчасти
  • Запчасти для мотоциклов
  • Запчасти для квадроциклов
  • Запчасти для снегоходов
  • Запчасти для мотовездеходов
  • Запчасти для гидроциклов
  • Запчасти для лодочных моторов
  Наши контакты
  • ИП Зуев Артем Павлович
  • г. Москва 2-я Хуторская улица, д.29, офис 214
  • Email: info@partsfor.ru

Тел: ‎8(495) 532-03-60
8(909) 958-46-33; 8(925) 200-16-98

* все разговоры записываются
С 10.00 до 19.00 ПН - ПТ

© 2026 Интернет магазин запчастей для мототехники ПартсФор.

  • PaymentGateway
  • PaymentGateway
Договор-оферта
Образец договора для юр.лиц
Пользовательское соглашение
Политика конфиденциальности

Товар добавлен в корзину

Выбранный товар добавлен в Вашу корзину.
Далее Вы можете перейти в корзину для оформления заказа или закрыть это окно и продолжить покупки.

Перейти в корзину

Выбор модели техники

Выбрать