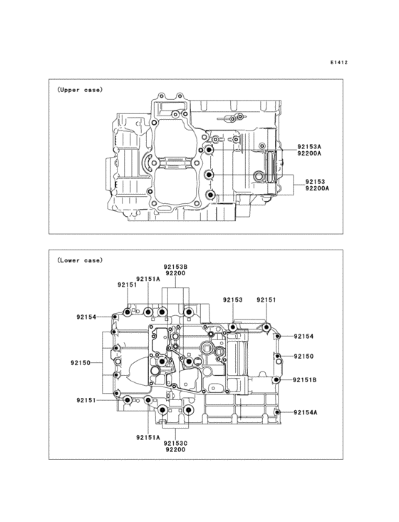
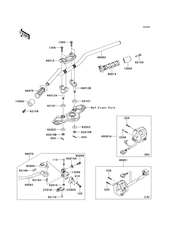
Запчасти для мотоциклов Kawasaki EX650 Ninja 650 ABS

Год: 2012  •  Код модели: EX650FCF  •  Объем двигателя: 650

Запчасти для мотоциклов Kawasaki EX650 Ninja 650 ABS
Вид: