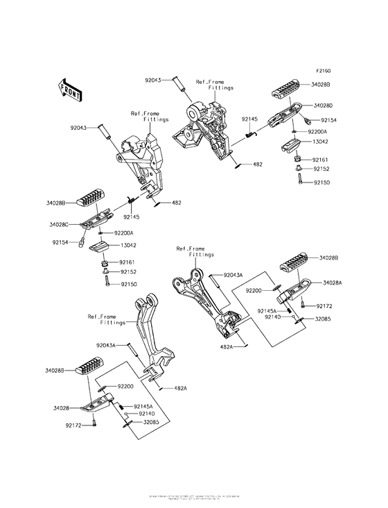
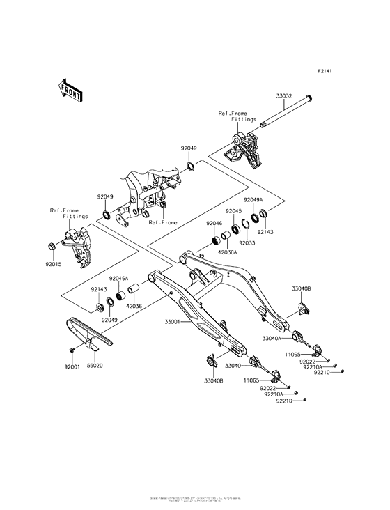
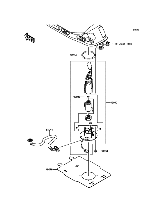
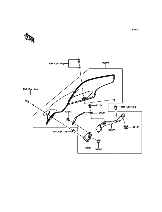
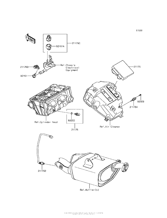
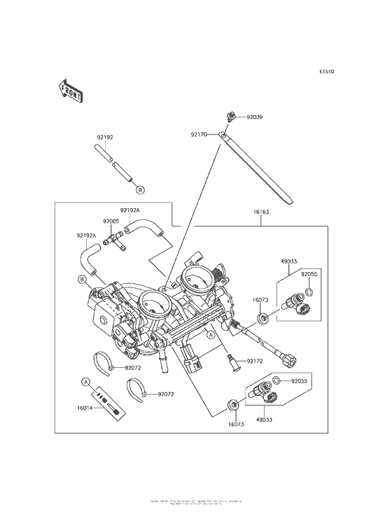
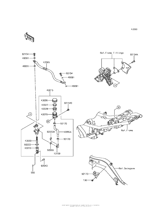
Запчасти для мотоциклов Kawasaki EX650 Ninja 650

Год: 2017  •  Код модели: EX650JHF  •  Объем двигателя: 650

Запчасти для мотоциклов Kawasaki EX650 Ninja 650
Вид: