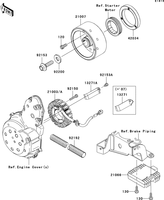
Запчасти для мотоциклов Kawasaki EX650 Ninja 650 ABS

Год: 2006  •  Код модели: EX650B6F  •  Объем двигателя: 650

Запчасти для мотоциклов Kawasaki EX650 Ninja 650 ABS
Вид: