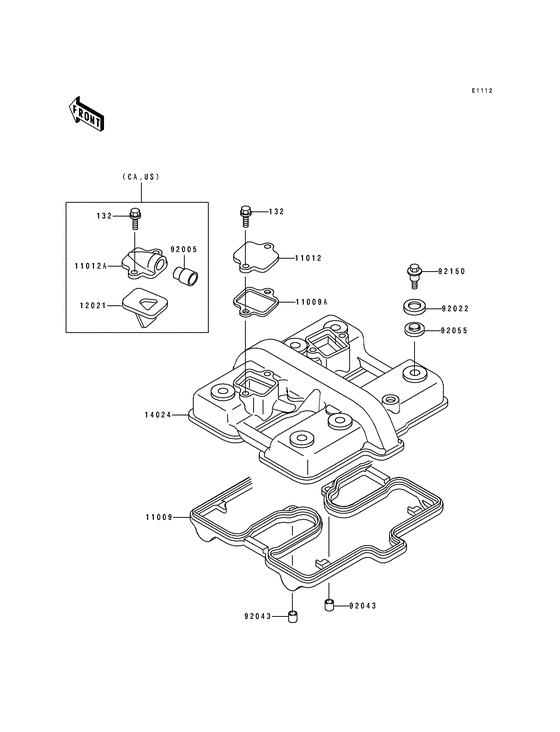
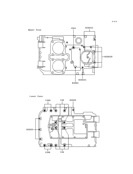
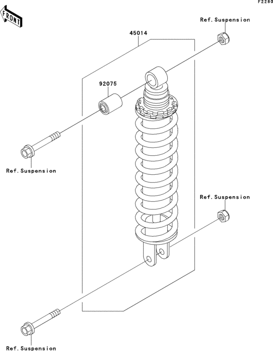
Запчасти для мотоциклов Kawasaki EX500

Год: 1991  •  Код модели: EX500-A5  •  Объем двигателя: 500

Запчасти для мотоциклов Kawasaki  EX500
Вид: