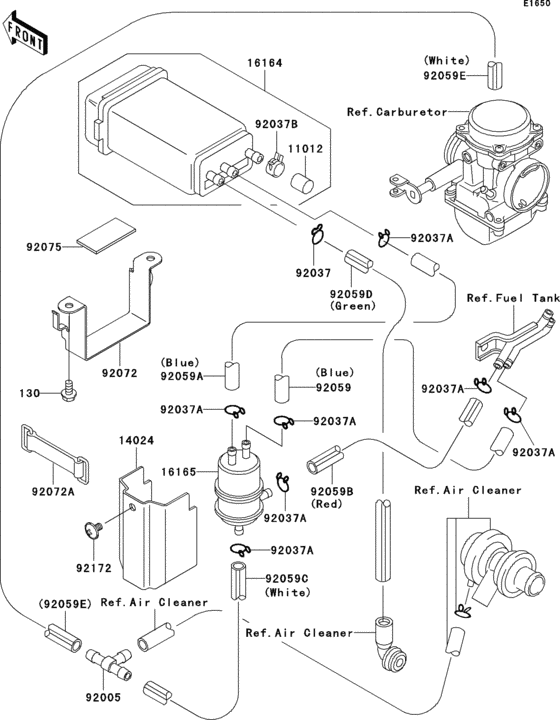
Запчасти для мотоциклов Kawasaki EX500 Ninja 500R

Год: 2007  •  Код модели: EX500D7F  •  Объем двигателя: 500

Запчасти для мотоциклов Kawasaki EX500 Ninja 500R
Вид: