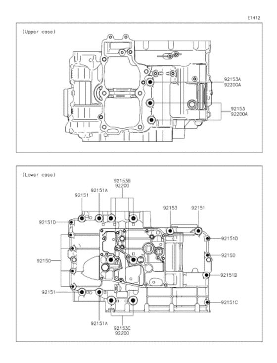
Запчасти для мотоциклов Kawasaki EX400 Ninja 400R

Год: 2014  •  Код модели: EX400EEF  •  Объем двигателя: 400

Запчасти для мотоциклов Kawasaki EX400 Ninja 400R
Вид: