Запчасти для мотоциклов Kawasaki EX400 Ninja 400R ABS

Год: 2014  •  Код модели: EX400FEFB  •  Объем двигателя: 400

Запчасти для мотоциклов Kawasaki EX400 Ninja 400R ABS
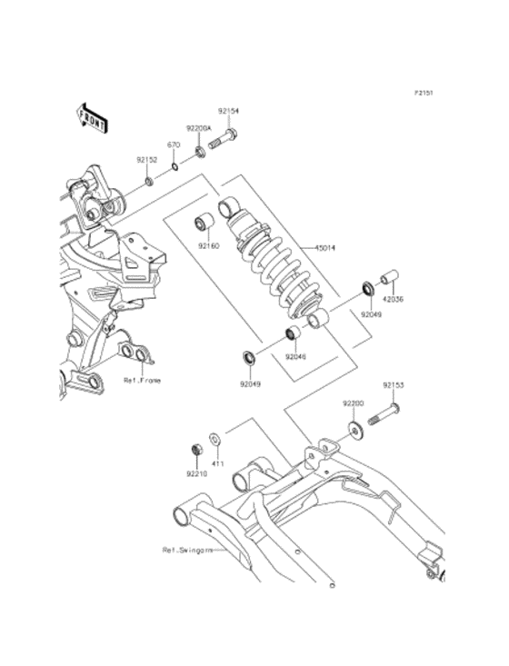
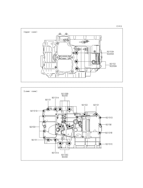
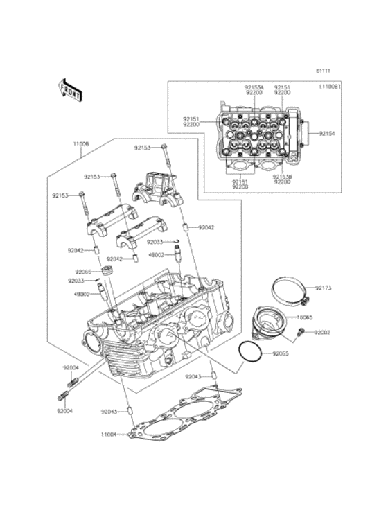
Вид: