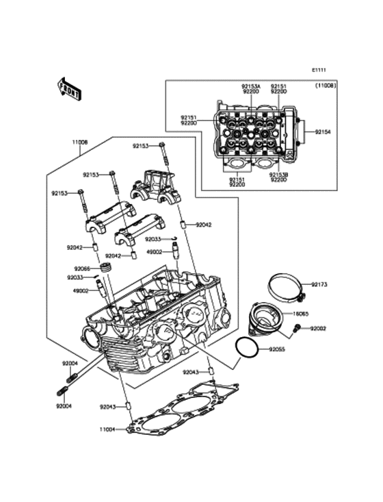
Запчасти для мотоциклов Kawasaki EX400 Ninja 400R ABS

Год: 2015  •  Код модели: EX400FFFA  •  Объем двигателя: 400

Запчасти для мотоциклов Kawasaki EX400 Ninja 400R ABS
Вид: