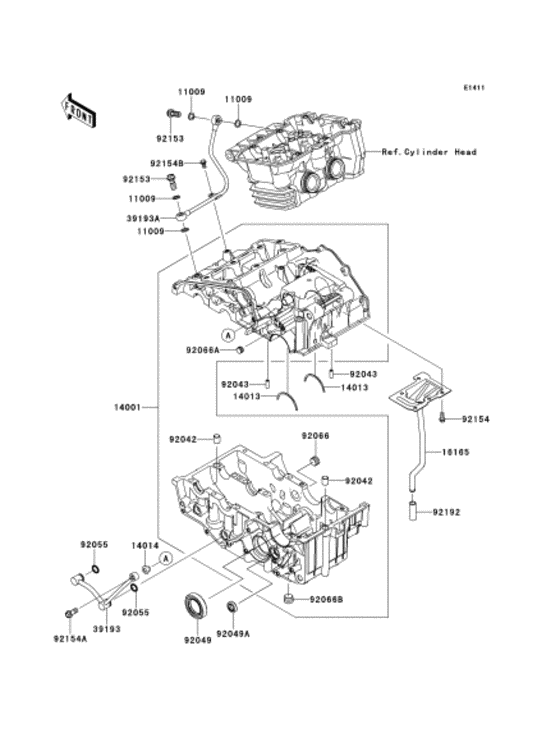
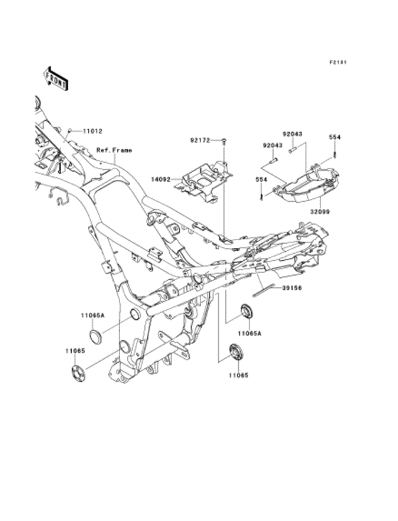
Запчасти для мотоциклов Kawasaki EX250 Ninja 250

Год: 2013  •  Код модели: EX250LDF  •  Объем двигателя: 250

Запчасти для мотоциклов Kawasaki EX250 Ninja 250
Вид: