Запчасти для мотоциклов Kawasaki ER650 ER-6N ABS

Год: 2015  •  Код модели: ER650FFF  •  Объем двигателя: 650

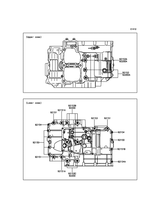
Запчасти для мотоциклов Kawasaki ER650 ER-6N ABS
Вид: