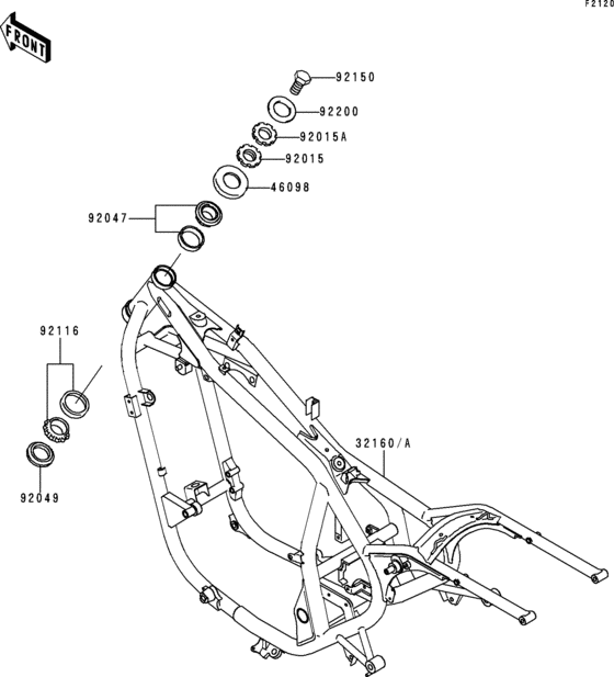
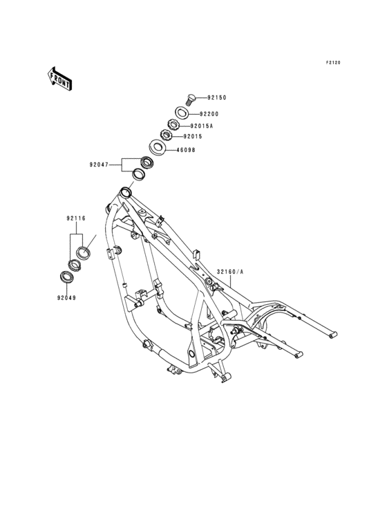
Запчасти для мотоциклов Kawasaki EN500 Vulcan 500 LTD

Год: 2000  •  Код модели: EN500-C5  •  Объем двигателя: 500

Запчасти для мотоциклов Kawasaki EN500 Vulcan 500 LTD
Вид: