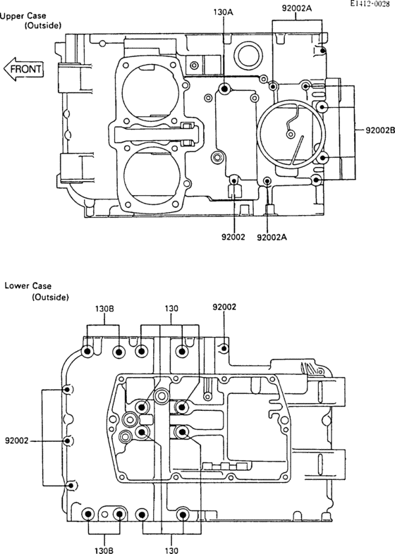
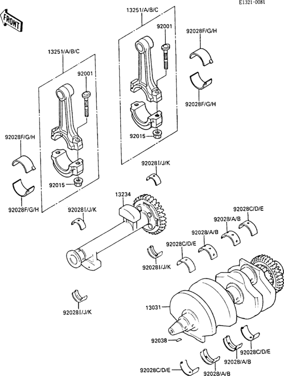
Запчасти для мотоциклов Kawasaki EN450 Vulcan 454LTD

Год: 1987  •  Код модели: EN450-A3  •  Объем двигателя: 450

Запчасти для мотоциклов Kawasaki EN450 Vulcan 454LTD
Вид: