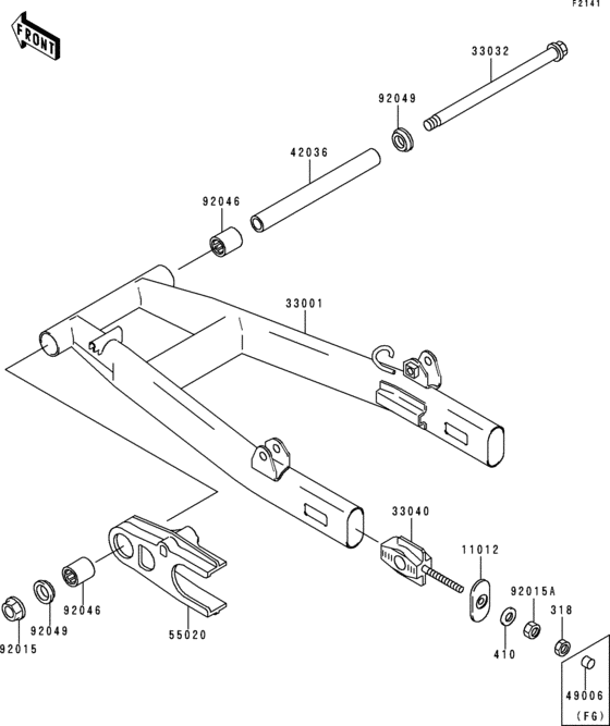
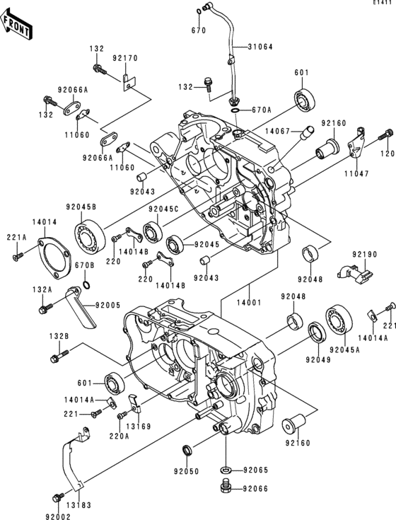
Запчасти для мотоциклов Kawasaki BJ250 Estrella RS

Год: 1996  •  Код модели: BJ250-C2  •  Объем двигателя: 250

Запчасти для мотоциклов Kawasaki BJ250 Estrella RS
Вид: