• О Компании
  • Оплата и Доставка
  • Помощь
  • Обратная связь
  • Контакты
  • Telegram
  • ВКонтакте
  • Telegram
  • ВКонтакте
  • Регистрация
  • Авторизация
Интернет магазин мотозапчастей PartsFor.ru
Москва и регионы России
  • Личный кабинет
    • Заказы
    • Оплаты
    • Отгрузки
    • Сообщения
    • Профиль
    • Выход
  • Оригинальные запчасти
    • Для мотоциклов
    • Yamaha
    • Honda
    • Suzuki
    • Kawasaki
    • Harley Davidson
    • Ducati
    • Can-Am
    • Aprilia
    • BMW
    • Triumph
    • Husaberg
    • Husqvarna
    • KTM
    • Indian
    • Victory
    • Slingshot
    • Для мотоциклов
    • Для квадроциклов
    • Для снегоходов
    • Для мотовездеходов
    • Для гидроциклов
    • Для лодочных моторов
    • Для катеров
    • Для судовых двигателей
    • Для генераторов
    • Для квадроциклов
    • Yamaha
    • Honda
    • Suzuki
    • Kawasaki
    • Arctic Cat
    • Can-Am
    • Polaris
    • KTM
    • Для снегоходов
    • Yamaha
    • Arctic Cat
    • Lynx
    • Ski-Doo
    • Polaris
    • Для генераторов
    • Для мотовездеходов
    • Yamaha
    • Honda
    • Suzuki
    • Kawasaki
    • Arctic Cat
    • Can-Am
    • Polaris
    • Polaris RZR
    • Для гидроциклов
    • Yamaha
    • Honda Marine
    • Kawasaki
    • Arctic Cat
    • Polaris
    • Sea-Doo
    • Для лодочных моторов
    • Для катеров
    • Для суд. двигателей
    • Для генераторов
    • Для лодочных моторов
    • Yamaha
    • Honda Marine
    • Suzuki Marine
    • Evinrude
    • Johnson
    • Nissan
    • Tohatsu
    • Mercury
    • Force
    • Mariner
    • Для катеров
    • Yamaha
    • Sea-Doo
    • Для суд. двигателей
    • Для спецтехники
  • Неоригинал, расходники
  • Заказ по каталогам
    • КАТАЛОГ PARTS UNLIMITED
  • Моторезина
  1. Главная
  2. Запчасти для мотоциклов
  3. Kawasaki
  4. AN112
  5. AN112

Запчасти для мотоциклов Kawasaki AN112 Edge VR

Год: 2014  •  Код модели: AN112SEF  •  Объем двигателя: 112

Запчасти для мотоциклов Kawasaki AN112 Edge VR
Вид:

  • AN112 Воздушный фильтр
    Воздушный фильтр
  • AN112 Педаль тормоза
    Педаль тормоза
  • AN112 Тросы управления
    Тросы управления
  • AN112 Распред вал
    Распред вал
  • AN112 Карбюратор
    Карбюратор
  • AN112 Электрика
    Электрика
  • AN112 Сцепление
    Сцепление
  • AN112 Картер двигателя
    Картер двигателя
  • AN112 Коленвал
    Коленвал
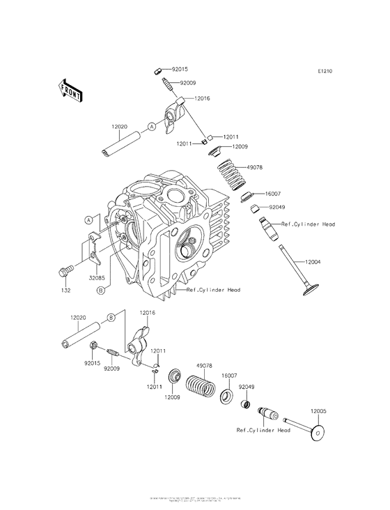
  • AN112 Головка цилиндров
    Головка цилиндров
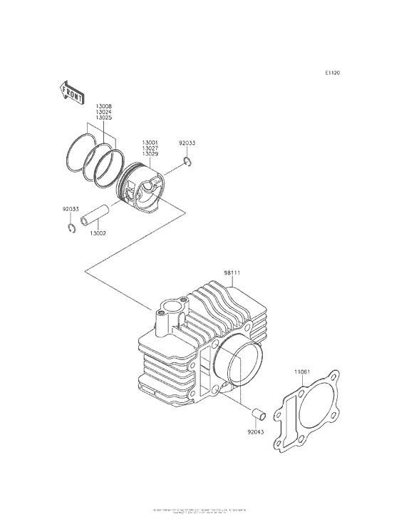
  • AN112 Цилиндр и поршни
    Цилиндр и поршни
  • AN112 Decals (Green)
    Decals (Green)
  • AN112 Decals (Red)
    Decals (Red)
  • AN112 Decals (Silver)
    Decals (Silver)
  • AN112 Крышки двигателя
    Крышки двигателя
  • AN112 Крылья
    Крылья
  • AN112 Подножки
    Подножки
  • AN112 Рама
    Рама
  • AN112 Рама ,крепежные детали
    Рама ,крепежные детали
  • AN112 Передний тормоз
    Передний тормоз
  • AN112 Передняя вилка
    Передняя вилка
  • AN112 Переднее колесо
    Переднее колесо
  • AN112 Главный тормозной цилиндр
    Главный тормозной цилиндр
  • AN112 Топливный бак
    Топливный бак
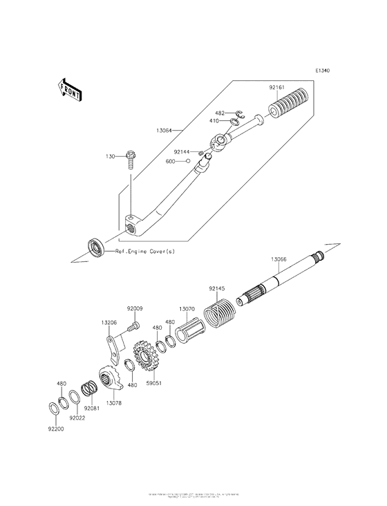
  • AN112 Валы и вилки переключения передач
    Валы и вилки переключения передач
  • AN112 Механизм переключения передач
    Механизм переключения передач
  • AN112 Генератор
    Генератор
  • AN112 Руль
    Руль
  • AN112 Фара
    Фара
  • AN112 Замок зажигания
    Замок зажигания
  • AN112 Система зажигания
    Система зажигания
  • AN112 Кикстартер
    Кикстартер
  • AN112 Лейбл предостережения
    Лейбл предостережения
  • AN112 Ветровое стекло
    Ветровое стекло
  • AN112 Приборы
    Приборы
  • AN112 Глушитель
    Глушитель
  • AN112 Масляный насос
    Масляный насос
  • AN112 Owner's Tools
    Owner's Tools
  • AN112 Задняя ступица колеса
    Задняя ступица колеса
  • AN112 Сиденье
    Сиденье
  • AN112 Боковые обтекатели
    Боковые обтекатели
  • AN112 Подножка
    Подножка
  • AN112 Стартер
    Стартер
  • AN112 Swingarm / shock Absorber
    Swingarm / shock Absorber
  • AN112 Фонарь
    Фонарь
  • AN112 Покрышки
    Покрышки
  • AN112 Трансмиссия
    Трансмиссия
  • AN112 Повторитель сигналов
    Повторитель сигналов
  • AN112 Клапана
    Клапана



  Информация
  • Новости
  • О Компании
  • Оплата и Доставка
  • Помощь
  • Обратная связь
  • Контакты
  OEM запчасти
  • Запчасти для мотоциклов
  • Запчасти для квадроциклов
  • Запчасти для снегоходов
  • Запчасти для мотовездеходов
  • Запчасти для гидроциклов
  • Запчасти для лодочных моторов
  Наши контакты
  • ИП Зуев Артем Павлович
  • г. Москва 2-я Хуторская улица, д.29, офис 214
  • Email: info@partsfor.ru

Тел: ‎8(495) 532-03-60
8(909) 958-46-33; 8(925) 200-16-98

* все разговоры записываются
С 10.00 до 19.00 ПН - ПТ

© 2026 Интернет магазин запчастей для мототехники ПартсФор.

  • PaymentGateway
  • PaymentGateway
Договор-оферта
Образец договора для юр.лиц
Пользовательское соглашение
Политика конфиденциальности

Товар добавлен в корзину

Выбранный товар добавлен в Вашу корзину.
Далее Вы можете перейти в корзину для оформления заказа или закрыть это окно и продолжить покупки.

Перейти в корзину

Выбор модели техники

Выбрать