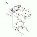
Ninja 300 ABS SE (EX300-BFSA) (2015)

Оригинальные запчасти для мотоциклов Kawasaki (Америка)

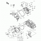
Выбор узла

Ninja 300 ABS SE (EX300-BFSA) (2015)