Ninja 250R (EX250-JBFA) (2011)

Оригинальные запчасти для мотоциклов Kawasaki (Америка)

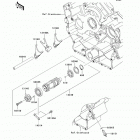
Выбор узла

Ninja 250R (EX250-JBFA) (2011)