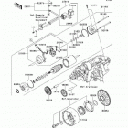
Ninja 650R (EX650-A6F) (2006)

Оригинальные запчасти для мотоциклов Kawasaki (Америка)

Выбор узла

Ninja 650R (EX650-A6F) (2006)