N19TRAAA - ROADMASTER ALL OPTIONS (2019)

Оригинальные запчасти для мотоциклов Indian

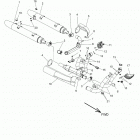
Выбор узла

N19TRAAA - ROADMASTER ALL OPTIONS (2019)