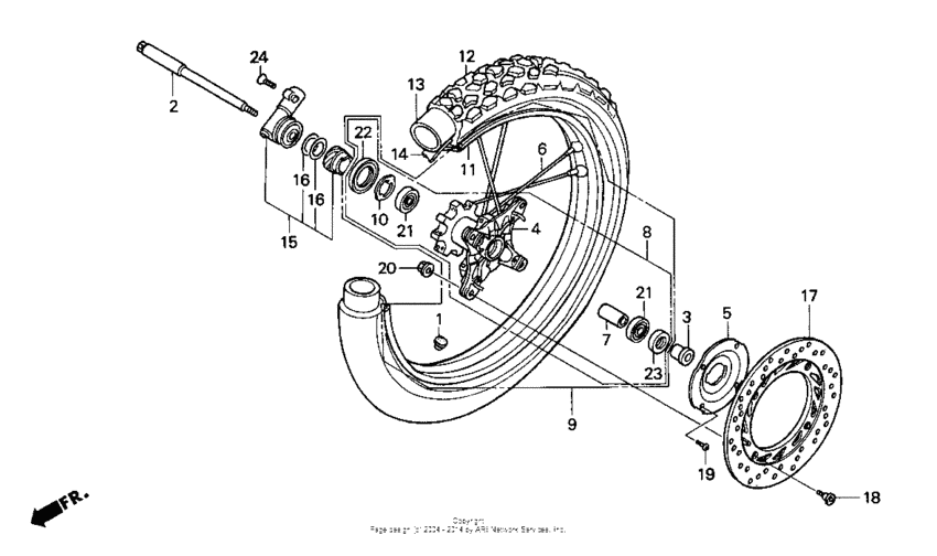
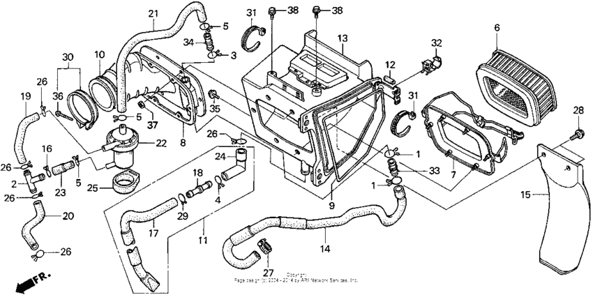
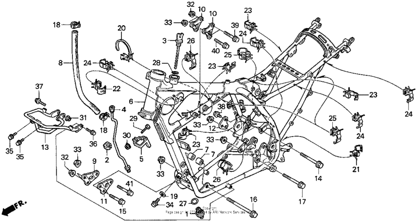
Запчасти для мотоциклов Honda XR650L

Год: 1998  •  Код модели: XR650L A  •  Объем двигателя: 650

Запчасти для мотоциклов Honda XR650L
Вид: