• О Компании
  • Оплата и Доставка
  • Помощь
  • Обратная связь
  • Контакты
  • Telegram
  • ВКонтакте
  • Telegram
  • ВКонтакте
  • Регистрация
  • Авторизация
Интернет магазин мотозапчастей PartsFor.ru
Москва и регионы России
  • Личный кабинет
    • Заказы
    • Оплаты
    • Отгрузки
    • Сообщения
    • Профиль
    • Выход
  • Оригинальные запчасти
    • Для мотоциклов
    • Yamaha
    • Honda
    • Suzuki
    • Kawasaki
    • Harley Davidson
    • Ducati
    • Can-Am
    • Aprilia
    • BMW
    • Triumph
    • Husaberg
    • Husqvarna
    • KTM
    • Indian
    • Victory
    • Slingshot
    • Для мотоциклов
    • Для квадроциклов
    • Для снегоходов
    • Для мотовездеходов
    • Для гидроциклов
    • Для лодочных моторов
    • Для катеров
    • Для судовых двигателей
    • Для генераторов
    • Для квадроциклов
    • Yamaha
    • Honda
    • Suzuki
    • Kawasaki
    • Arctic Cat
    • Can-Am
    • Polaris
    • KTM
    • Для снегоходов
    • Yamaha
    • Arctic Cat
    • Lynx
    • Ski-Doo
    • Polaris
    • Для генераторов
    • Для мотовездеходов
    • Yamaha
    • Honda
    • Suzuki
    • Kawasaki
    • Arctic Cat
    • Can-Am
    • Polaris
    • Polaris RZR
    • Для гидроциклов
    • Yamaha
    • Honda Marine
    • Kawasaki
    • Arctic Cat
    • Polaris
    • Sea-Doo
    • Для лодочных моторов
    • Для катеров
    • Для суд. двигателей
    • Для генераторов
    • Для лодочных моторов
    • Yamaha
    • Honda Marine
    • Suzuki Marine
    • Evinrude
    • Johnson
    • Nissan
    • Tohatsu
    • Mercury
    • Force
    • Mariner
    • Для катеров
    • Yamaha
    • Sea-Doo
    • Для суд. двигателей
    • Для спецтехники
  • Неоригинал, расходники
  • Заказ по каталогам
    • КАТАЛОГ PARTS UNLIMITED
  • Моторезина
  1. Главная
  2. Запчасти для мотоциклов
  3. Honda
  4. XL175
  5. XL175

Запчасти для мотоциклов Honda XL175

Год: 1976  •  Код модели: XL175 A  •  Объем двигателя: 175

Запчасти для мотоциклов Honda XL175
Вид:

  • XL175 Карбюратор
    Карбюратор
  • XL175 Коленчатый вал и поршни
    Коленчатый вал и поршни
  • XL175 Left crankcase cover + alternator
    Left crankcase cover + alternator
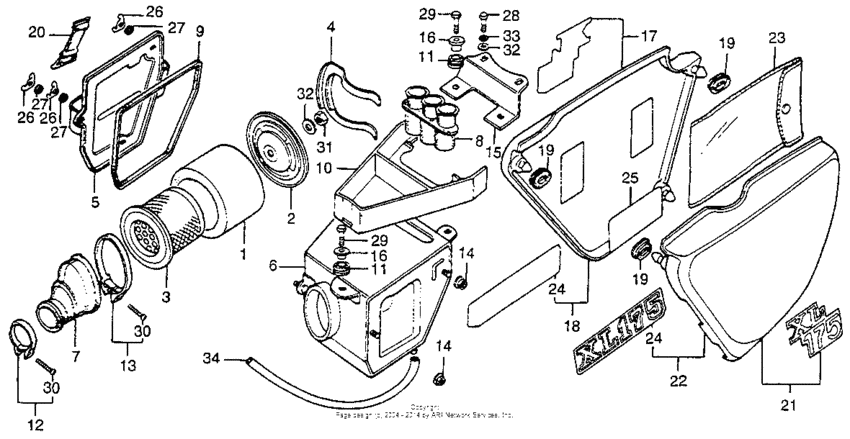
  • XL175 Air cleaner + side cover
    Air cleaner + side cover
  • XL175 Cam chain + tensioner
    Cam chain + tensioner
  • XL175 Распределительный вал и клапана
    Распределительный вал и клапана
  • XL175 Сцепление
    Сцепление
  • XL175 Картер двигателя
    Картер двигателя
  • XL175 Cylinder head + cylinder
    Cylinder head + cylinder
  • XL175 Cylinder head cover + points
    Cylinder head cover + points
  • XL175 Глушитель
    Глушитель
  • XL175 Рама
    Рама
  • XL175 Front fender + steering stem
    Front fender + steering stem
  • XL175 Передняя вилка
    Передняя вилка
  • XL175 Front wheel + brake panel
    Front wheel + brake panel
  • XL175 Топливный бак
    Топливный бак
  • XL175 Handle lever + switch
    Handle lever + switch
  • XL175 Handlebar + top bridge
    Handlebar + top bridge
  • XL175 Фара
    Фара
  • XL175 Масляный насос
    Масляный насос
  • XL175 Pedal + step
    Pedal + step
  • XL175 Задний тормоз
    Задний тормоз
  • XL175 Задний бампер
    Задний бампер
  • XL175 Задние амортизаторы
    Задние амортизаторы
  • XL175 Переднее колесо
    Переднее колесо
  • XL175 Крышка картера правая
    Крышка картера правая
  • XL175 Сиденье
    Сиденье
  • XL175 Shift drum + shift fork
    Shift drum + shift fork
  • XL175 Спидометр
    Спидометр
  • XL175 Swingarm + drive chain
    Swingarm + drive chain
  • XL175 Фонарь
    Фонарь
  • XL175 Трансмиссия
    Трансмиссия
  • XL175 Задний фонарь
    Задний фонарь
  • XL175 Wire harness + ignition coil
    Wire harness + ignition coil



  Информация
  • Новости
  • О Компании
  • Оплата и Доставка
  • Помощь
  • Обратная связь
  • Контакты
  OEM запчасти
  • Запчасти для мотоциклов
  • Запчасти для квадроциклов
  • Запчасти для снегоходов
  • Запчасти для мотовездеходов
  • Запчасти для гидроциклов
  • Запчасти для лодочных моторов
  Наши контакты
  • ИП Зуев Артем Павлович
  • г. Москва 2-я Хуторская улица, д.29, офис 214
  • Email: info@partsfor.ru

Тел: ‎8(495) 532-03-60
8(909) 958-46-33; 8(925) 200-16-98

* все разговоры записываются
С 10.00 до 19.00 ПН - ПТ

© 2026 Интернет магазин запчастей для мототехники ПартсФор.

  • PaymentGateway
  • PaymentGateway
Договор-оферта
Образец договора для юр.лиц
Пользовательское соглашение
Политика конфиденциальности

Товар добавлен в корзину

Выбранный товар добавлен в Вашу корзину.
Далее Вы можете перейти в корзину для оформления заказа или закрыть это окно и продолжить покупки.

Перейти в корзину

Выбор модели техники

Выбрать