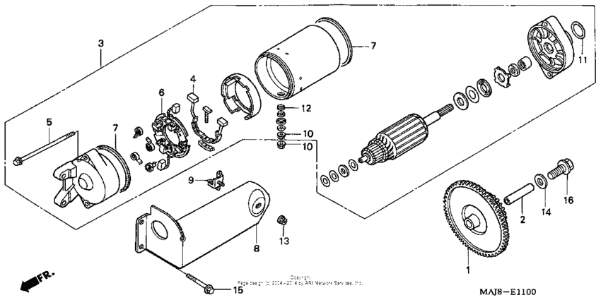
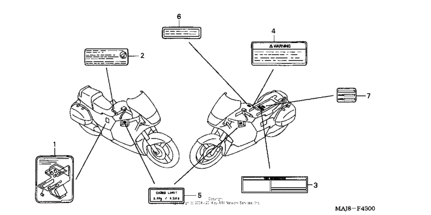
Запчасти для мотоциклов Honda ST1100P Pan-European Police

Год: 2003  •  Код модели: ST1100P A  •  Объем двигателя: 1100

Запчасти для мотоциклов Honda ST1100P Pan-European Police
Вид: