• О Компании
  • Оплата и Доставка
  • Помощь
  • Обратная связь
  • Контакты
  • Telegram
  • ВКонтакте
  • Telegram
  • ВКонтакте
  • Регистрация
  • Авторизация
Интернет магазин мотозапчастей PartsFor.ru
Москва и регионы России
  • Личный кабинет
    • Заказы
    • Оплаты
    • Отгрузки
    • Сообщения
    • Профиль
    • Выход
  • Оригинальные запчасти
    • Для мотоциклов
    • Yamaha
    • Honda
    • Suzuki
    • Kawasaki
    • Harley Davidson
    • Ducati
    • Can-Am
    • Aprilia
    • BMW
    • Triumph
    • Husaberg
    • Husqvarna
    • KTM
    • Indian
    • Victory
    • Slingshot
    • Для мотоциклов
    • Для квадроциклов
    • Для снегоходов
    • Для мотовездеходов
    • Для гидроциклов
    • Для лодочных моторов
    • Для катеров
    • Для судовых двигателей
    • Для генераторов
    • Для квадроциклов
    • Yamaha
    • Honda
    • Suzuki
    • Kawasaki
    • Arctic Cat
    • Can-Am
    • Polaris
    • KTM
    • Для снегоходов
    • Yamaha
    • Arctic Cat
    • Lynx
    • Ski-Doo
    • Polaris
    • Для генераторов
    • Для мотовездеходов
    • Yamaha
    • Honda
    • Suzuki
    • Kawasaki
    • Arctic Cat
    • Can-Am
    • Polaris
    • Polaris RZR
    • Для гидроциклов
    • Yamaha
    • Honda Marine
    • Kawasaki
    • Arctic Cat
    • Polaris
    • Sea-Doo
    • Для лодочных моторов
    • Для катеров
    • Для суд. двигателей
    • Для генераторов
    • Для лодочных моторов
    • Yamaha
    • Honda Marine
    • Suzuki Marine
    • Evinrude
    • Johnson
    • Nissan
    • Tohatsu
    • Mercury
    • Force
    • Mariner
    • Для катеров
    • Yamaha
    • Sea-Doo
    • Для суд. двигателей
    • Для спецтехники
  • Неоригинал, расходники
  • Заказ по каталогам
    • КАТАЛОГ PARTS UNLIMITED
  • Моторезина
  1. Главная
  2. Запчасти для мотоциклов
  3. Honda
  4. NC50
  5. NC50

Запчасти для мотоциклов Honda NC50

Год: 1981  •  Код модели: NC50 A  •  Объем двигателя: 50

Запчасти для мотоциклов Honda NC50
Вид:

  • NC50 Коленчатый вал и поршни
    Коленчатый вал и поршни
  • NC50 Frame + seat
    Frame + seat
  • NC50 Переднее крыло
    Переднее крыло
  • NC50 Front wheel + front brake panel
    Front wheel + front brake panel
  • NC50 Fuel tank + carrier
    Fuel tank + carrier
  • NC50 Headlight + speedometer
    Headlight + speedometer
  • NC50 Глушитель
    Глушитель
  • NC50 Задний бампер
    Задний бампер
  • NC50 Задние амортизаторы
    Задние амортизаторы
  • NC50 Переднее колесо
    Переднее колесо
  • NC50 Фонарь
    Фонарь
  • NC50 Комплект прокладок
    Комплект прокладок
  • NC50 Handlebar + horn + front fork
    Handlebar + horn + front fork
  • NC50 Air cleaner 81
    Air cleaner 81
  • NC50 Alternator 81
    Alternator 81
  • NC50 Carburetor 81
    Carburetor 81
  • NC50 Clutch + drive chain + final gear 81
    Clutch + drive chain + final gear 81
  • NC50 Crankcase + oil pump + reed valve 81
    Crankcase + oil pump + reed valve 81
  • NC50 Cylinder head + cylinder 81
    Cylinder head + cylinder 81
  • NC50 Front carrier + front basket 81
    Front carrier + front basket 81
  • NC50 Handle lever + switch + cable 81
    Handle lever + switch + cable 81
  • NC50 Left crankcase cover 81
    Left crankcase cover 81
  • NC50 Pedal + stand + step 81
    Pedal + stand + step 81
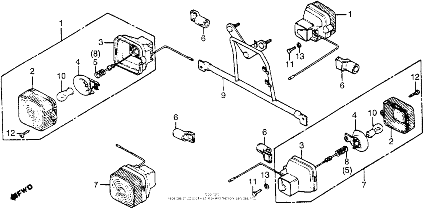
  • NC50 Turn signal 81
    Turn signal 81
  • NC50 Wire harness + ignition coil + battery 81
    Wire harness + ignition coil + battery 81



  Информация
  • Новости
  • О Компании
  • Оплата и Доставка
  • Помощь
  • Обратная связь
  • Контакты
  OEM запчасти
  • Запчасти для мотоциклов
  • Запчасти для квадроциклов
  • Запчасти для снегоходов
  • Запчасти для мотовездеходов
  • Запчасти для гидроциклов
  • Запчасти для лодочных моторов
  Наши контакты
  • ИП Зуев Артем Павлович
  • г. Москва 2-я Хуторская улица, д.29, офис 214
  • Email: info@partsfor.ru

Тел: ‎8(495) 532-03-60
8(909) 958-46-33; 8(925) 200-16-98

* все разговоры записываются
С 10.00 до 19.00 ПН - ПТ

© 2026 Интернет магазин запчастей для мототехники ПартсФор.

  • PaymentGateway
  • PaymentGateway
Договор-оферта
Образец договора для юр.лиц
Пользовательское соглашение
Политика конфиденциальности

Товар добавлен в корзину

Выбранный товар добавлен в Вашу корзину.
Далее Вы можете перейти в корзину для оформления заказа или закрыть это окно и продолжить покупки.

Перейти в корзину

Выбор модели техники

Выбрать