• О Компании
  • Оплата и Доставка
  • Помощь
  • Обратная связь
  • Контакты
  • Telegram
  • ВКонтакте
  • Telegram
  • ВКонтакте
  • Регистрация
  • Авторизация
Интернет магазин мотозапчастей PartsFor.ru
Москва и регионы России
  • Личный кабинет
    • Заказы
    • Оплаты
    • Отгрузки
    • Сообщения
    • Профиль
    • Выход
  • Оригинальные запчасти
    • Для мотоциклов
    • Yamaha
    • Honda
    • Suzuki
    • Kawasaki
    • Harley Davidson
    • Ducati
    • Can-Am
    • Aprilia
    • BMW
    • Triumph
    • Husaberg
    • Husqvarna
    • KTM
    • Indian
    • Victory
    • Slingshot
    • Для мотоциклов
    • Для квадроциклов
    • Для снегоходов
    • Для мотовездеходов
    • Для гидроциклов
    • Для лодочных моторов
    • Для катеров
    • Для судовых двигателей
    • Для генераторов
    • Для квадроциклов
    • Yamaha
    • Honda
    • Suzuki
    • Kawasaki
    • Arctic Cat
    • Can-Am
    • Polaris
    • KTM
    • Для снегоходов
    • Yamaha
    • Arctic Cat
    • Lynx
    • Ski-Doo
    • Polaris
    • Для генераторов
    • Для мотовездеходов
    • Yamaha
    • Honda
    • Suzuki
    • Kawasaki
    • Arctic Cat
    • Can-Am
    • Polaris
    • Polaris RZR
    • Для гидроциклов
    • Yamaha
    • Honda Marine
    • Kawasaki
    • Arctic Cat
    • Polaris
    • Sea-Doo
    • Для лодочных моторов
    • Для катеров
    • Для суд. двигателей
    • Для генераторов
    • Для лодочных моторов
    • Yamaha
    • Honda Marine
    • Suzuki Marine
    • Evinrude
    • Johnson
    • Nissan
    • Tohatsu
    • Mercury
    • Force
    • Mariner
    • Для катеров
    • Yamaha
    • Sea-Doo
    • Для суд. двигателей
    • Для спецтехники
  • Неоригинал, расходники
  • Заказ по каталогам
    • КАТАЛОГ PARTS UNLIMITED
  • Моторезина
  1. Главная
  2. Запчасти для мотоциклов
  3. Honda
  4. NB50
  5. NB50

Запчасти для мотоциклов Honda NB50

Год: 1986  •  Код модели: NB50 A  •  Объем двигателя: 50

Запчасти для мотоциклов Honda NB50
Вид:

  • NB50 Воздушный фильтр
    Воздушный фильтр
  • NB50 Аккумулятор
    Аккумулятор
  • NB50 Облицовка
    Облицовка
  • NB50 Карбюратор
    Карбюратор
  • NB50 Crankcase 86,87
    Crankcase 86,87
  • NB50 Коленвал
    Коленвал
  • NB50 Цилиндры
    Цилиндры
  • NB50 Вариатор
    Вариатор
  • NB50 Вариатор
    Вариатор
  • NB50 Fan cover
    Fan cover
  • NB50 Рама
    Рама
  • NB50 Front cover
    Front cover
  • NB50 Переднее крыло
    Переднее крыло
  • NB50 Передняя вилка
    Передняя вилка
  • NB50 Сигналы поворота передние
    Сигналы поворота передние
  • NB50 Переднее колесо
    Переднее колесо
  • NB50 Топливный бак
    Топливный бак
  • NB50 Комплект прокладок
    Комплект прокладок
  • NB50 Генератор
    Генератор
  • NB50 Облицовка руля
    Облицовка руля
  • NB50 Фара
    Фара
  • NB50 Inner box
    Inner box
  • NB50 Left side cover 86-87
    Left side cover 86-87
  • NB50 Глушитель
    Глушитель
  • NB50 Маслянный банк
    Маслянный банк
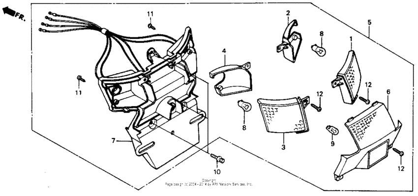
  • NB50 Задний фонарь
    Задний фонарь
  • NB50 Переднее колесо
    Переднее колесо
  • NB50 Сиденье
    Сиденье
  • NB50 Амортизатор
    Амортизатор
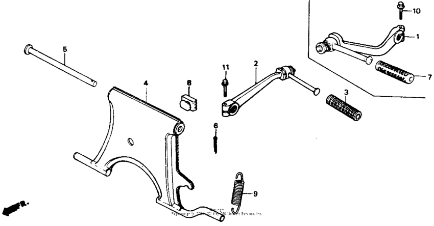
  • NB50 Подножка
    Подножка
  • NB50 Стартер
    Стартер
  • NB50 Stripe 86,87
    Stripe 86,87
  • NB50 Датчики
    Датчики
  • NB50 Фонарь
    Фонарь
  • NB50 Трансмиссия
    Трансмиссия
  • NB50 Жгут проводов
    Жгут проводов



  Информация
  • Новости
  • О Компании
  • Оплата и Доставка
  • Помощь
  • Обратная связь
  • Контакты
  OEM запчасти
  • Запчасти для мотоциклов
  • Запчасти для квадроциклов
  • Запчасти для снегоходов
  • Запчасти для мотовездеходов
  • Запчасти для гидроциклов
  • Запчасти для лодочных моторов
  Наши контакты
  • ИП Зуев Артем Павлович
  • г. Москва 2-я Хуторская улица, д.29, офис 214
  • Email: info@partsfor.ru

Тел: ‎8(495) 532-03-60
8(909) 958-46-33; 8(925) 200-16-98

* все разговоры записываются
С 10.00 до 19.00 ПН - ПТ

© 2026 Интернет магазин запчастей для мототехники ПартсФор.

  • PaymentGateway
  • PaymentGateway
Договор-оферта
Образец договора для юр.лиц
Пользовательское соглашение
Политика конфиденциальности

Товар добавлен в корзину

Выбранный товар добавлен в Вашу корзину.
Далее Вы можете перейти в корзину для оформления заказа или закрыть это окно и продолжить покупки.

Перейти в корзину

Выбор модели техники

Выбрать