• О Компании
  • Оплата и Доставка
  • Помощь
  • Обратная связь
  • Контакты
  • Telegram
  • ВКонтакте
  • Telegram
  • ВКонтакте
  • Регистрация
  • Авторизация
Интернет магазин мотозапчастей PartsFor.ru
Москва и регионы России
  • Личный кабинет
    • Заказы
    • Оплаты
    • Отгрузки
    • Сообщения
    • Профиль
    • Выход
  • Оригинальные запчасти
    • Для мотоциклов
    • Yamaha
    • Honda
    • Suzuki
    • Kawasaki
    • Harley Davidson
    • Ducati
    • Can-Am
    • Aprilia
    • BMW
    • Triumph
    • Husaberg
    • Husqvarna
    • KTM
    • Indian
    • Victory
    • Slingshot
    • Для мотоциклов
    • Для квадроциклов
    • Для снегоходов
    • Для мотовездеходов
    • Для гидроциклов
    • Для лодочных моторов
    • Для катеров
    • Для судовых двигателей
    • Для генераторов
    • Для квадроциклов
    • Yamaha
    • Honda
    • Suzuki
    • Kawasaki
    • Arctic Cat
    • Can-Am
    • Polaris
    • KTM
    • Для снегоходов
    • Yamaha
    • Arctic Cat
    • Lynx
    • Ski-Doo
    • Polaris
    • Для генераторов
    • Для мотовездеходов
    • Yamaha
    • Honda
    • Suzuki
    • Kawasaki
    • Arctic Cat
    • Can-Am
    • Polaris
    • Polaris RZR
    • Для гидроциклов
    • Yamaha
    • Honda Marine
    • Kawasaki
    • Arctic Cat
    • Polaris
    • Sea-Doo
    • Для лодочных моторов
    • Для катеров
    • Для суд. двигателей
    • Для генераторов
    • Для лодочных моторов
    • Yamaha
    • Honda Marine
    • Suzuki Marine
    • Evinrude
    • Johnson
    • Nissan
    • Tohatsu
    • Mercury
    • Force
    • Mariner
    • Для катеров
    • Yamaha
    • Sea-Doo
    • Для суд. двигателей
    • Для спецтехники
  • Неоригинал, расходники
  • Заказ по каталогам
    • КАТАЛОГ PARTS UNLIMITED
  • Моторезина
  1. Главная
  2. Запчасти для мотоциклов
  3. Honda
  4. CR500
  5. CR500R

Запчасти для мотоциклов Honda CR500R

Год: 1984  •  Код модели: CR500R A  •  Объем двигателя: 500

Запчасти для мотоциклов Honda CR500R
Вид:

  • CR500R Сцепление
    Сцепление
  • CR500R Картер двигателя
    Картер двигателя
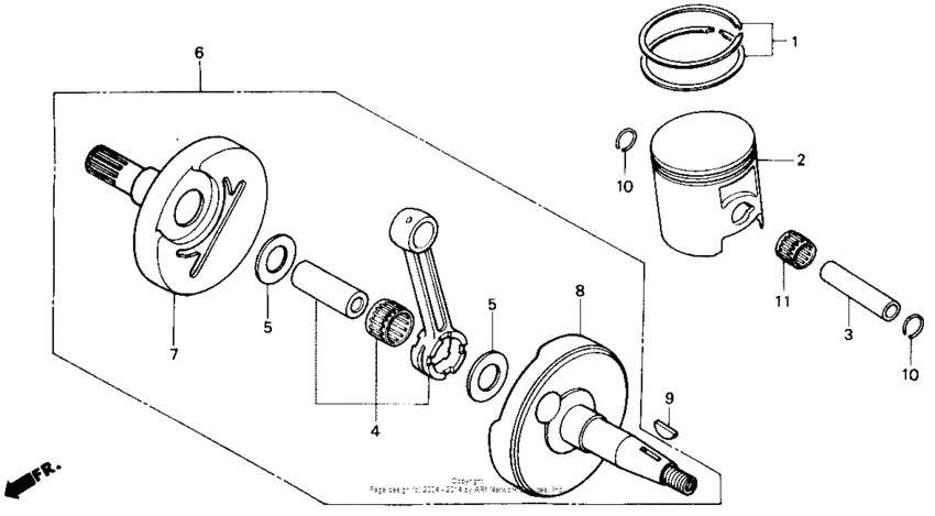
  • CR500R Коленвал
    Коленвал
  • CR500R Передний главный тормозной цилиндр
    Передний главный тормозной цилиндр
  • CR500R Переднее крыло
    Переднее крыло
  • CR500R Переднее колесо
    Переднее колесо
  • CR500R Комплект прокладок
    Комплект прокладок
  • CR500R Вилка переключения передач
    Вилка переключения передач
  • CR500R Руль
    Руль
  • CR500R Кик стартер
    Кик стартер
  • CR500R Крышка картера левая
    Крышка картера левая
  • CR500R Наклейки
    Наклейки
  • CR500R Педали
    Педали
  • CR500R Задний бампер
    Задний бампер
  • CR500R Подножка
    Подножка
  • CR500R Инструмент
    Инструмент
  • CR500R Трансмиссия
    Трансмиссия
  • CR500R Air cleaner 84
    Air cleaner 84
  • CR500R Carburetor 84
    Carburetor 84
  • CR500R Carburetor o.p.kit 84
    Carburetor o.p.kit 84
  • CR500R Cylinder 84
    Cylinder 84
  • CR500R Expansion chamber 84
    Expansion chamber 84
  • CR500R Fr. brake caliper 84-86
    Fr. brake caliper 84-86
  • CR500R Frame 84
    Frame 84
  • CR500R Front fork 84-85
    Front fork 84-85
  • CR500R Fuel tank 84
    Fuel tank 84
  • CR500R Рулевые переключатели
    Рулевые переключатели
  • CR500R Rear brake panel 84-86
    Rear brake panel 84-86
  • CR500R Rear wheel 84-86
    Rear wheel 84-86
  • CR500R Right crankcase cover 84
    Right crankcase cover 84
  • CR500R Seat 84
    Seat 84
  • CR500R Shock absorber 84
    Shock absorber 84
  • CR500R Swingarm 84
    Swingarm 84



  Информация
  • Новости
  • О Компании
  • Оплата и Доставка
  • Помощь
  • Обратная связь
  • Контакты
  OEM запчасти
  • Запчасти для мотоциклов
  • Запчасти для квадроциклов
  • Запчасти для снегоходов
  • Запчасти для мотовездеходов
  • Запчасти для гидроциклов
  • Запчасти для лодочных моторов
  Наши контакты
  • ИП Зуев Артем Павлович
  • г. Москва 2-я Хуторская улица, д.29, офис 214
  • Email: info@partsfor.ru

Тел: ‎8(495) 532-03-60
8(909) 958-46-33; 8(925) 200-16-98

* все разговоры записываются
С 10.00 до 19.00 ПН - ПТ

© 2026 Интернет магазин запчастей для мототехники ПартсФор.

  • PaymentGateway
  • PaymentGateway
Договор-оферта
Образец договора для юр.лиц
Пользовательское соглашение
Политика конфиденциальности

Товар добавлен в корзину

Выбранный товар добавлен в Вашу корзину.
Далее Вы можете перейти в корзину для оформления заказа или закрыть это окно и продолжить покупки.

Перейти в корзину

Выбор модели техники

Выбрать