• О Компании
  • Оплата и Доставка
  • Помощь
  • Обратная связь
  • Контакты
  • Telegram
  • ВКонтакте
  • Telegram
  • ВКонтакте
  • Регистрация
  • Авторизация
Интернет магазин мотозапчастей PartsFor.ru
Москва и регионы России
  • Личный кабинет
    • Заказы
    • Оплаты
    • Отгрузки
    • Сообщения
    • Профиль
    • Выход
  • Оригинальные запчасти
    • Для мотоциклов
    • Yamaha
    • Honda
    • Suzuki
    • Kawasaki
    • Harley Davidson
    • Ducati
    • Can-Am
    • Aprilia
    • BMW
    • Triumph
    • Husaberg
    • Husqvarna
    • KTM
    • Indian
    • Victory
    • Slingshot
    • Для мотоциклов
    • Для квадроциклов
    • Для снегоходов
    • Для мотовездеходов
    • Для гидроциклов
    • Для лодочных моторов
    • Для катеров
    • Для судовых двигателей
    • Для генераторов
    • Для квадроциклов
    • Yamaha
    • Honda
    • Suzuki
    • Kawasaki
    • Arctic Cat
    • Can-Am
    • Polaris
    • KTM
    • Для снегоходов
    • Yamaha
    • Arctic Cat
    • Lynx
    • Ski-Doo
    • Polaris
    • Для генераторов
    • Для мотовездеходов
    • Yamaha
    • Honda
    • Suzuki
    • Kawasaki
    • Arctic Cat
    • Can-Am
    • Polaris
    • Polaris RZR
    • Для гидроциклов
    • Yamaha
    • Honda Marine
    • Kawasaki
    • Arctic Cat
    • Polaris
    • Sea-Doo
    • Для лодочных моторов
    • Для катеров
    • Для суд. двигателей
    • Для генераторов
    • Для лодочных моторов
    • Yamaha
    • Honda Marine
    • Suzuki Marine
    • Evinrude
    • Johnson
    • Nissan
    • Tohatsu
    • Mercury
    • Force
    • Mariner
    • Для катеров
    • Yamaha
    • Sea-Doo
    • Для суд. двигателей
    • Для спецтехники
  • Неоригинал, расходники
  • Заказ по каталогам
    • КАТАЛОГ PARTS UNLIMITED
  • Моторезина
  1. Главная
  2. Запчасти для мотоциклов
  3. Honda
  4. CM250
  5. CM250

Запчасти для мотоциклов Honda CM250

Год: 1983  •  Код модели: CM250C AC  •  Объем двигателя: 250

Запчасти для мотоциклов Honda CM250
Вид:

  • CM250 Воздушный фильтр
    Воздушный фильтр
  • CM250 Battery + c.d.i. unit
    Battery + c.d.i. unit
  • CM250 Cam chain + tensioner
    Cam chain + tensioner
  • CM250 Распределительный вал и клапана
    Распределительный вал и клапана
  • CM250 Сцепление
    Сцепление
  • CM250 Control levers + switches + cables
    Control levers + switches + cables
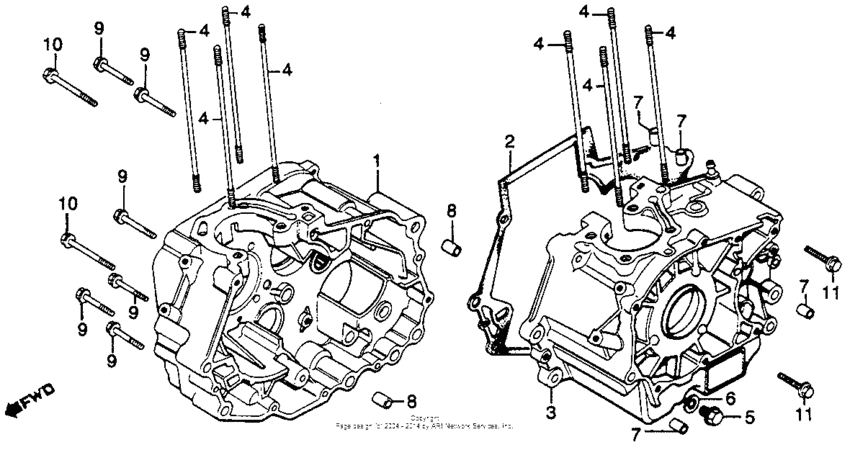
  • CM250 Картер двигателя
    Картер двигателя
  • CM250 Коленчатый вал и поршни
    Коленчатый вал и поршни
  • CM250 Цилиндры
    Цилиндры
  • CM250 Головка цилиндров
    Головка цилиндров
  • CM250 Крышка головки цилиндров
    Крышка головки цилиндров
  • CM250 Рама
    Рама
  • CM250 Передний тормоз
    Передний тормоз
  • CM250 Переднее крыло
    Переднее крыло
  • CM250 Передняя вилка
    Передняя вилка
  • CM250 Переднее колесо
    Переднее колесо
  • CM250 Топливный бак
    Топливный бак
  • CM250 Комплекты прокладок
    Комплекты прокладок
  • CM250 Комплект прокладок
    Комплект прокладок
  • CM250 Handlebar + top bridge
    Handlebar + top bridge
  • CM250 Фара
    Фара
  • CM250 Left crankcase cover + alternator
    Left crankcase cover + alternator
  • CM250 Глушитель
    Глушитель
  • CM250 Масляный насос
    Масляный насос
  • CM250 Задний тормоз
    Задний тормоз
  • CM250 Задний бампер
    Задний бампер
  • CM250 Задние амортизаторы
    Задние амортизаторы
  • CM250 Переднее колесо
    Переднее колесо
  • CM250 Крышка картера правая
    Крышка картера правая
  • CM250 Сиденье
    Сиденье
  • CM250 Shift drum + shift fork
    Shift drum + shift fork
  • CM250 Shift pedal + brake pedal
    Shift pedal + brake pedal
  • CM250 Боковые обтекатели
    Боковые обтекатели
  • CM250 Speedometer + key set
    Speedometer + key set
  • CM250 Подножка
    Подножка
  • CM250 Стартер
    Стартер
  • CM250 Steering stem + horn
    Steering stem + horn
  • CM250 Подножки
    Подножки
  • CM250 Stripe
    Stripe
  • CM250 Фонарь
    Фонарь
  • CM250 Инструмент
    Инструмент
  • CM250 Трансмиссия
    Трансмиссия
  • CM250 Задний фонарь
    Задний фонарь
  • CM250 Wire harness + ignition coil
    Wire harness + ignition coil
  • CM250 Carburetor 83
    Carburetor 83
  • CM250 Swingarm + chain case 83
    Swingarm + chain case 83



  Информация
  • Новости
  • О Компании
  • Оплата и Доставка
  • Помощь
  • Обратная связь
  • Контакты
  OEM запчасти
  • Запчасти для мотоциклов
  • Запчасти для квадроциклов
  • Запчасти для снегоходов
  • Запчасти для мотовездеходов
  • Запчасти для гидроциклов
  • Запчасти для лодочных моторов
  Наши контакты
  • ИП Зуев Артем Павлович
  • г. Москва 2-я Хуторская улица, д.29, офис 214
  • Email: info@partsfor.ru

Тел: ‎8(495) 532-03-60
8(909) 958-46-33; 8(925) 200-16-98

* все разговоры записываются
С 10.00 до 19.00 ПН - ПТ

© 2026 Интернет магазин запчастей для мототехники ПартсФор.

  • PaymentGateway
  • PaymentGateway
Договор-оферта
Образец договора для юр.лиц
Пользовательское соглашение
Политика конфиденциальности

Товар добавлен в корзину

Выбранный товар добавлен в Вашу корзину.
Далее Вы можете перейти в корзину для оформления заказа или закрыть это окно и продолжить покупки.

Перейти в корзину

Выбор модели техники

Выбрать