Запчасти для мотоциклов Honda CBR900RR CBR919RR Fireblade

Год: 1998  •  Код модели: CBR900RR A  •  Объем двигателя: 919

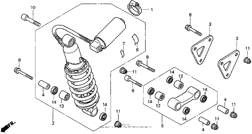
Запчасти для мотоциклов Honda CBR900RR CBR919RR Fireblade
Вид: