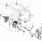
CB650RA AC (2021)

Оригинальные запчасти для мотоциклов Honda (Америка)

Выбор узла

CB650RA AC (2021)