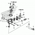
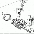
CRF450X (2019)

Оригинальные запчасти для мотоциклов Honda (Америка)

Выбор узла

CRF450X (2019)