CRF450L (2019)

Оригинальные запчасти для мотоциклов Honda (Америка)

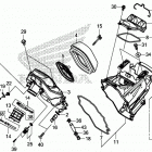
Выбор узла

CRF450L (2019)

Honda CRF450L 2019

Неоригинальные запчасти Parts Unlimited