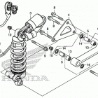
CBR1000S1 2AC (2019)

Оригинальные запчасти для мотоциклов Honda (Америка)

Выбор узла

CBR1000S1 2AC (2019)