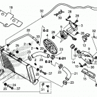
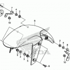
CB650FA (2018)

Оригинальные запчасти для мотоциклов Honda (Америка)

Выбор узла

CB650FA (2018)