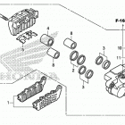
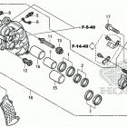
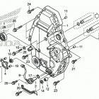
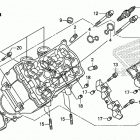
ST1300PA (2017)

Оригинальные запчасти для мотоциклов Honda (Америка)

Выбор узла

ST1300PA (2017)