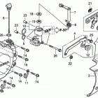
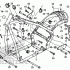
VT1300CTA (2015)

Оригинальные запчасти для мотоциклов Honda (Америка)

Выбор узла

VT1300CTA (2015)